0
LTM4739
  • LTM4739
  • LTM4739
  • LTM4739
  • LTM4739
  • LTM4739

LTM4739

RECOMMENDED FOR NEW DESIGNS

15VIN, Single 10A Step-Down μModule Regulator with PMBus

Analog Devices LTM4739 Product Info

10 February 2026 7

Features

  • Complete Solution in <1cm2 (Single-Sided PCB) or 0.5cm2 (Dual-Sided PCB)
  • PMBus Telemetry of Output Current, Output Voltage, Input Voltage, and Junction Temperature
  • Input Voltage Range: 3V to 15V
  • Output Voltage Range: 0.4V to 5.5V
  • Adjustable Reference Voltage: 0.4V to 0.8V (Default 0.5V)
  • 10A Continuous Output Current at 12VIN and 1.8VOUT, (TA = 90°C)
  • 90% Full Load Efficiency from 12VIN to 1VOUT at 10A
  • ±1% Maximum DC Output Error Overtemperature
  • Wide Frequency Range: 500kHz to 2MHz
  • Internal Compensation
  • Power Good Indicator
  • Constant Frequency Peak Current Mode Control
  • Differential Remote Sense
  • Single-Phase Point-of-Load (POL) Operation
  • 49-Lead 6.25mm × 6.25mm × 5.07mm BGA package

Part details & applications

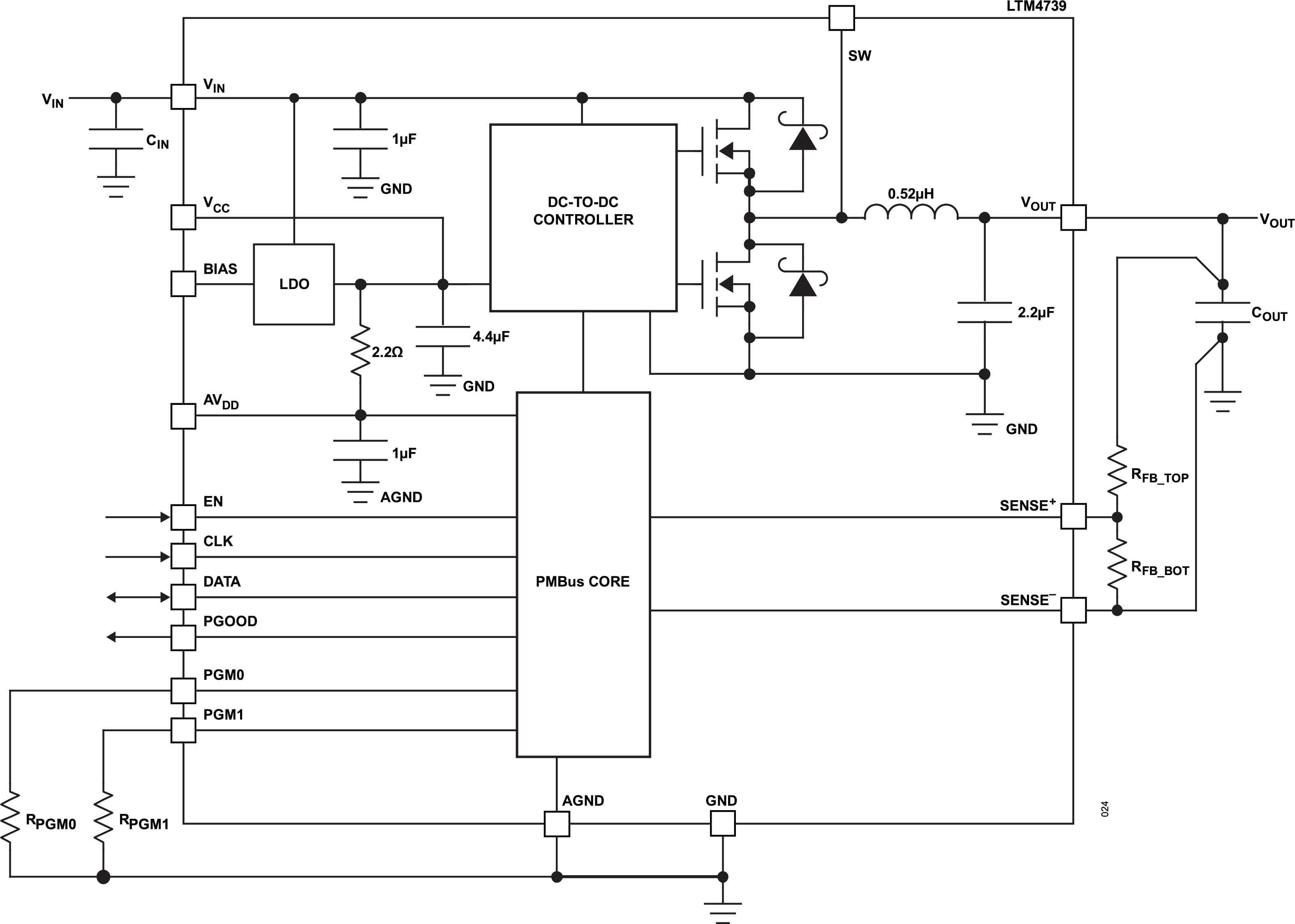
The LTM4739 is a complete 10A step-down switching mode power μModule® (micromodule) regulator with PMBus interface in a tiny 6.25mm × 6.25mm × 5.07mm, Ball grid array (BGA) package. The package includes the switching controller, the power MOSFETs, an inductor, and the supporting components. Operating over an input voltage range of 3V to 15V, the LTM4739 supports an output voltage range of 0.4V to 5.5V. Its highefficiency design delivers up to 10A of continuous output current. Only bulk input and output capacitors are needed. The switching frequency of the LTM4739 can be configured from 500kHz to 2MHz to provide the capability of optimizing the design in terms of size and performance.

The LTM4739 has an optional BIAS input pin, allowing connection from a 2.8V to 5.5V bias input supply for optimized efficiency. Operation settings and configurable features can be selected by connecting two pin-strap resistors from the PGMn pins to ground and later adjusted using PMBus commands. The LTM4739 has multiple protections, including positive and negative overcurrent (POC/NOC), output overvoltage (OV), and overtemperature (OT) to ensure a robust design. The LTM4739 is available with a RoHS-compliant terminal finish.

APPLICATIONS

  • Data Center Power, Servers, and Storage 
  • Telecom, Networking, and Industrial Equipment 
  • Point-of-Load Voltage Regulators

Subscribe to Welllinkchips !
Your Name
* Email
Submit a request