0
ADPD188GG
  • ADPD188GG
  • ADPD188GG

ADPD188GG

RECOMMENDED FOR NEW DESIGNS

Integrated Optical Module with Ambient Light Rejection and Two LEDs

Analog Devices ADPD188GG Product Info

10 February 2026 10

Features

  • 3.8 mm × 5.0 mm × 0.9 mm module with integrated optical components
  • 2 green LEDs, 2 PDs with IR cut filter
  • 2 external sensor inputs
  • 3, 370 mA LED drivers
  • 20-bit burst accumulator enabling 20 bits per sample period
  • On-board sample to sample accumulator enabling up to 27 bits per data read
  • Custom optical package made to work under a glass window
  • Optimized SNR for signal limited cases
  • I2C or SPI communications

Part details & applications

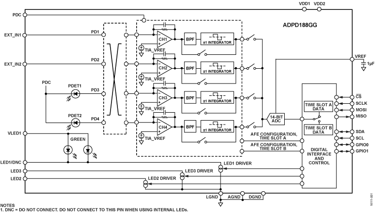
The ADPD188GG is a complete photometric system designed to measure optical signals from ambient light and from synchronous reflected light emitting diode (LED) pulses. Synchronous measurement offers best-in-class rejection of ambient light interference, both dc and ac. The module integrates a highly efficient photometric front end, two LEDs, and two photodiode (PD). All of these items are housed in a custom package that prevents light from going directly from the LED to the photodiode without first entering the subject.

The front end of the application specific integrated circuit (ASIC) consists of a control block, a 14-bit analog-to-digital converter (ADC) with a 20-bit burst accumulator, and three flexible, independently configurable LED drivers. The control circuitry includes flexible LED signaling and synchronous detection. The analog front end (AFE) features best-in-class rejection of signal offset and corruption due to modulated interference commonly caused by ambient light. The data output and functional configuration occur over a 1.8 V I2C interface or a serial peripheral interface (SPI) port.

Applications

  • Optical heart rate monitoring
  • Reflective PPG measurement
  • CNIBP measurement 

Subscribe to Welllinkchips !
Your Name
* Email
Submit a request