0
LTC5556
  • LTC5556
  • LTC5556
  • LTC5556

LTC5556

PRODUCTION

1.5GHz to 7GHz Dual Programmable Gain Downconverting Mixer

Analog Devices LTC5556 Product Info

10 February 2026 8

Features

  • 9dB Power Conversion Gain
  • 32dBm Output IP3
  • 15.5dB Range IF DVGA in 0.5dB Steps
  • IF Frequency Range Up to 900MHz
  • Reduced Power Mode
  • 3.3V Single Supply
  • Simple SPI for Fast Development
  • –40°C to 105°C Operation (TC)
  • Very Small Solution Size
  • 32-Lead (5mm × 5mm) QFN Package

Part details & applications

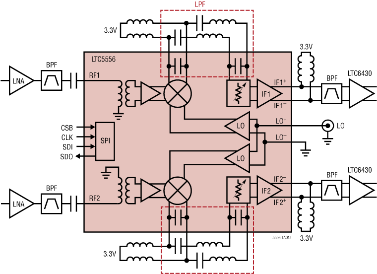
The LTC5556 dual programmable gain downconverting mixer is ideal for diversity and MIMO receivers that require precise gain setting. Each channel incorporates an active mixer and a digital IF VGA with 15.5dB gain control range. The IF gain of each channel is programmed in 0.5dB steps through the SPI.

Enable pins for each channel allow fast turn-on and shutdown. A reduced power mode is also available.

The device has the same functionality as the LTC5566, but the mixers are optimized for a higher 3GHz to 7GHz RF frequency range and the IF is optimized for use up to 900MHz. The mixers may be used down to 1.5GHz, or up to 8GHz with degraded performance.

Dual Programmable Gain Downconverting Mixers
PART NUMBER OPTIMUM RF RANGE IF RANGE
LTC5556 3GHz to 7GHz 1MHz to 900MHz
LTC5566 300MHz to 4.5GHz 1MHz to 500MHz

Applications

  • 4G and 5G MIMO Receivers
Subscribe to Welllinkchips !
Your Name
* Email
Submit a request