0
LTC4009
  • LTC4009
  • LTC4009
  • LTC4009
  • LTC4009

LTC4009

PRODUCTION

High Efficiency, Multi-Chemistry Battery Charger

Analog Devices LTC4009 Product Info

10 February 2026 5

Features

  • General Purpose Battery Charger Controller
  • Efficient 550kHz Synchronous Buck PWM Topology
  • ±0.5% Output Float Voltage Accuracy
  • Programmable Charge Current: 4% Accuracy
  • Programmable AC Adapter Current Limit: 3% Accuracy
  • No Audible Noise with Ceramic Capacitors
  • Wide Input Voltage Range: 6V to 28V
  • Wide Output Voltage Range: 2V to 28V
  • Indicator Outputs for AC Adapter Present, Charging, C/10 Current Detection and Input Current Limiting
  • Analog Charge Current Monitor
  • Micropower Shutdown
  • Thermally Enhanced 20-Pin 4mm × 4mm × 0.75mm QFN Package

Part details & applications

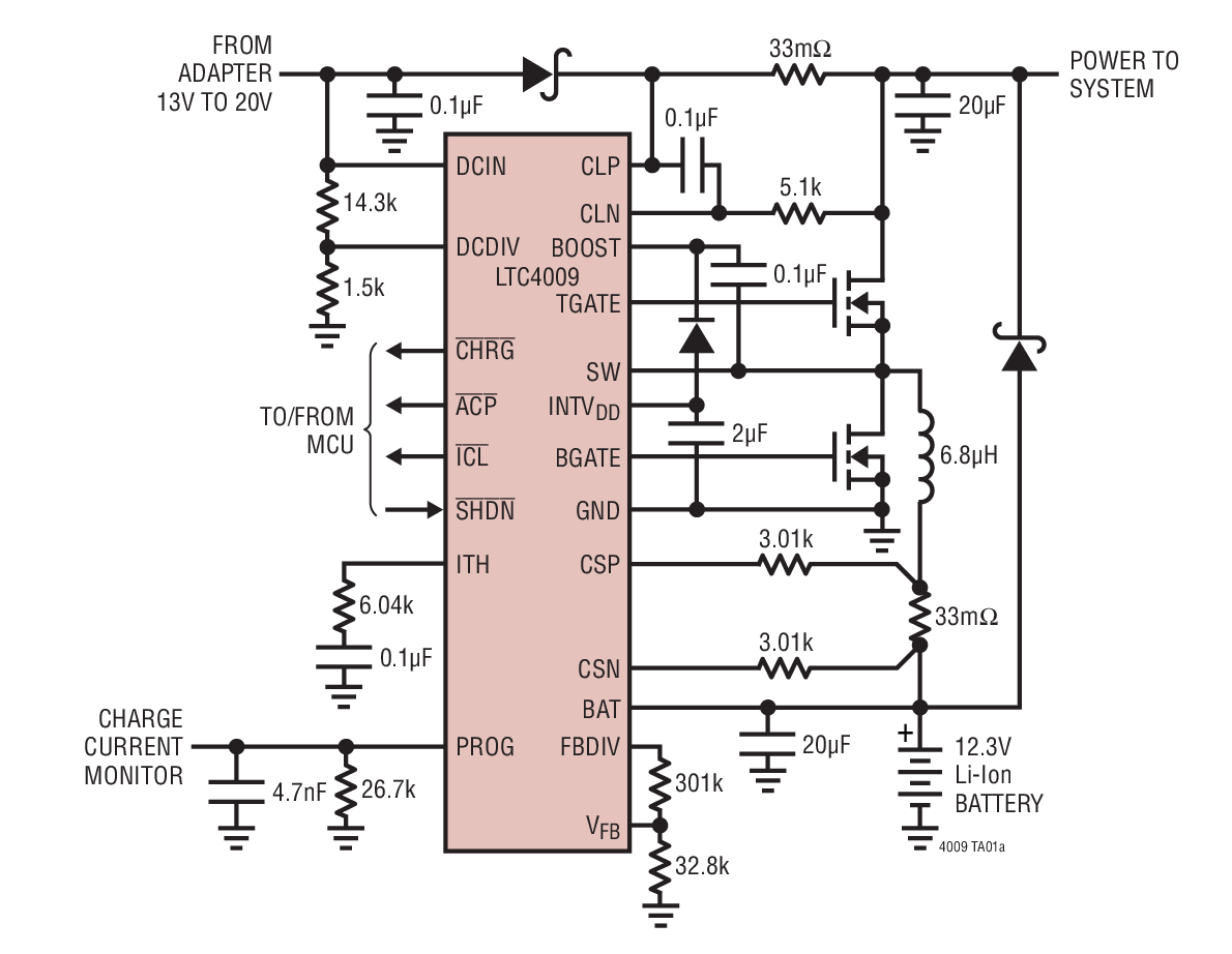
The LTC4009 is a constant-current/constant-voltage battery charger controller. It uses a synchronous quasiconstant frequency PWM control architecture that will not generate audible noise with ceramic bulk capacitors. Charge current is set by the combination of external sense, input and programming resistors. With no built-in termination, the LTC4009 family charges a wide range of batteries under external control.

The LTC4009 features a fully adjustable output voltage, while the LTC4009-1 and LTC4009-2 can be pin-programmed for lithium-ion/polymer battery packs of 1-, 2-, 3- or 4-series cells. The LTC4009-1 provides output voltage of 4.1V/cell, and the LTC4009-2 is a 4.2V/cell version.

The device includes AC adapter input current limiting which maximizes the charge rate for a fixed input power level. An external sense resistor programs the input current limit, and the ICL status pin indicates when the battery charge current is being reduced as a result of AC adapter current limiting.

The CHRG status pin is active during all charging modes, including special indication for low charge current.

Applications

  • Notebook Computers
  • Portable Instruments
  • Battery Backup Systems

Subscribe to Welllinkchips !
Your Name
* Email
Submit a request