0
LTC4311
  • LTC4311
  • LTC4311
  • LTC4311
  • LTC4311

LTC4311

PRODUCTION

Low Voltage I2C/SMBus Accelerator

Analog Devices LTC4311 Product Info

10 February 2026 9

Features

  • Improves I2C Bus Rise Time Transition
  • Ensures Data Integrity with Multiple Devices on the I2C Bus.
  • Wide Supply Voltage Range: 1.6V to 5.5V
  • Improves Low State Noise Margin
  • Up to 400kHz Operation
  • Auto Detect Low Power Standby Mode
  • Low (<5μA) Supply Current Shutdown
  • Does Not Load Bus When Disabled or Powered Down
  • Strong Slew Limited Pull-up Current
  • ±8kV Human Body Model ESD Ruggedness
  • 2mm × 2mm DFN and SC70 Packages

Part details & applications

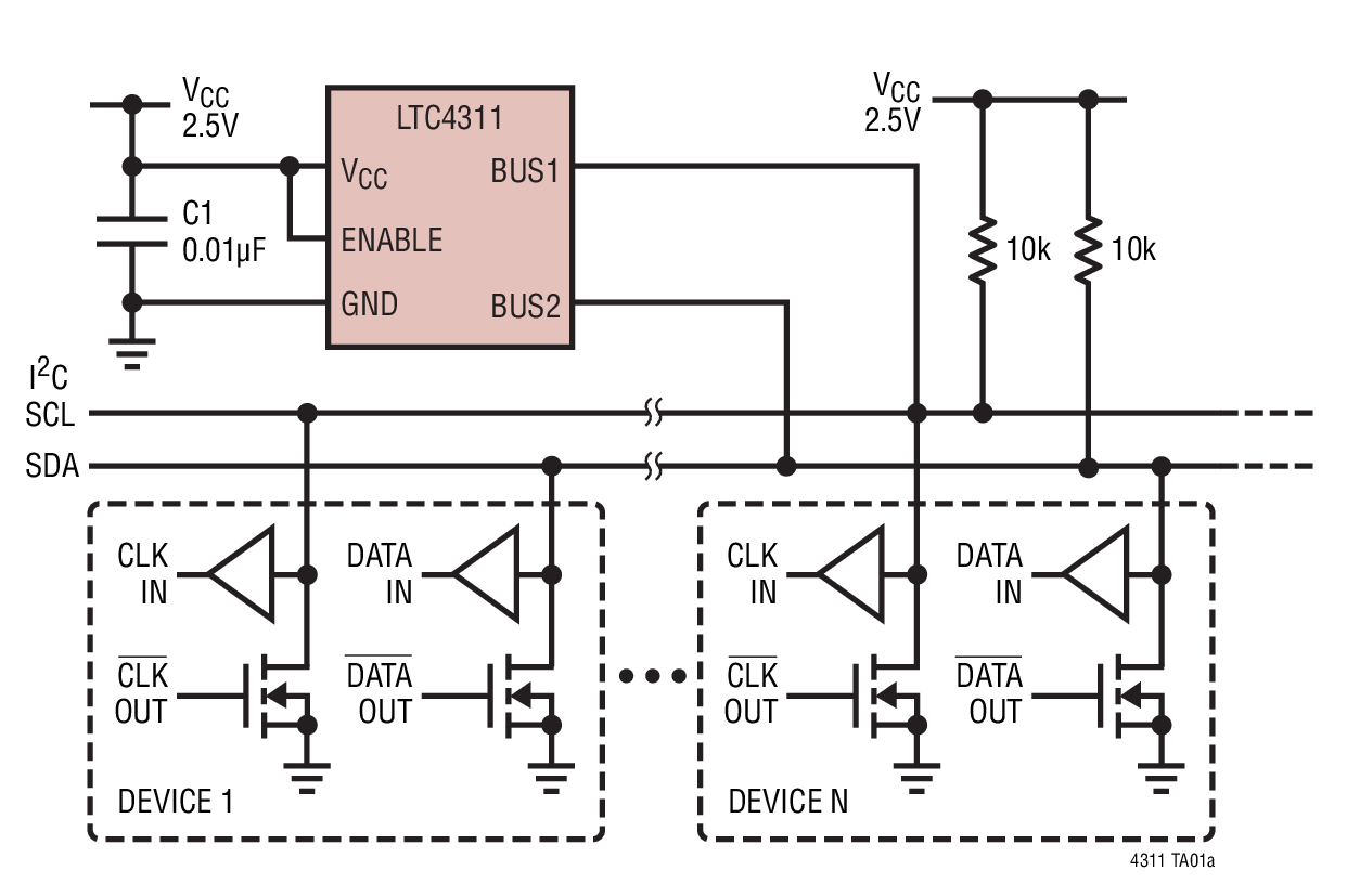
The LTC4311 is a dual I2C active pull-up designed to enhance data transmission speed and reliability for bus loading conditions well beyond the 400pF I2C specification limit. The LTC4311 operates at supply voltages from 1.6V to 5.5V and is also compatible with SMBus.

The LTC4311 allows multiple device connections or a longer, more capacitive interconnect, without compromising slew rates or bus performance, by using two slew limited pull-up currents.

During positive bus transitions, the LTC4311 provides slew limited pull-up currents to quickly slew the I2C or SMBus lines to the bus pull-up voltage. During negative transitions or steady DC levels, the currents are disabled to improve negative slew rate, and improve low state noise margins. An auto detect standby mode reduces supply current if both SCL and SDA are high. When disabled, the LTC4311 goes into low (<5μA) current shutdown.

The LTC4311 is available in the 2mm × 2mm × 0.75mm DFN, and SC70 packages.

Applications

  • Notebook and Palmtop Computers
  • Portable Instruments
  • Battery Chargers
  • Industrial Controls
  • TV/Video Products
  • ACPI SMBus Interface

Subscribe to Welllinkchips !
Your Name
* Email
Submit a request