0
LTC3788-1
  • LTC3788-1
  • LTC3788-1
  • LTC3788-1

LTC3788-1

PRODUCTION

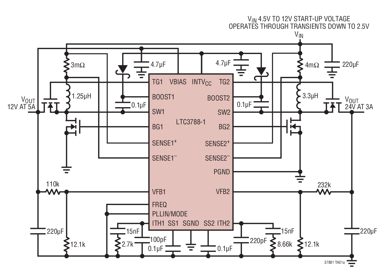
2-Phase, Dual Output Synchronous Boost Controller

Analog Devices LTC3788-1 Product Info

10 February 2026 5

Features

  • Synchronous Operation for Highest Efficiency and Reduced Heat Dissipation
  • Wide Input Range: 4.5V to 38V (40V Abs Max) and Operates Down to 2.5V After Start-Up
  • Output Voltages Up to 60V
  • ±1% 1.2V Reference Voltage
  • RSENSE or Inductor DCR Current Sensing
  • 100% Duty Cycle Capability for Synchronous MOSFET
  • Low Quiescent Current: 125μA
  • Phase-Lockable Frequency (75kHz to 850kHz)
  • Programmable Fixed Frequency (50kHz to 900kHz)
  • Adjustable Output Voltage Soft-Start
  • Power Good Output Voltage Monitor
  • Low Shutdown Current IQ: <8μA
  • Internal LDO Powers Gate Drive from VBIAS or EXTVCC
  • Available in a Narrow SSOP Package

Part details & applications

The LTC3788-1 is a high performance 2-phase dual synchronous boost converter controller that drives all N-channel power MOSFETs. Synchronous rectification increases efficiency, reduces power losses and eases thermal requirements, allowing the LTC3788-1 to be used in high power boost applications.

A constant-frequency current mode architecture allows a phase-lockable frequency of up to 850kHz. OPTI-LOOP compensation allows the transient response to be optimized over a wide range of output capacitance and ESR values. The LTC3788-1 features a precision 1.2V reference and a power good output indicator. A 4.5V to 38V input supply range encompasses a wide range of system architectures and battery chemistries.

Independent SS pins for each controller ramp the output voltages during start-up. The PLLIN/MODE pin selects among Burst Mode operation, pulse-skipping mode or continuous inductor current mode at light loads.

For a leadless 32-pin QFN package with additional features of adjustable current limit, clock out, phase modulation and two PGOOD outputs, see the LTC3788 data sheet.

CLKOUT/PHASMD Adjustable Current Sense Power Good Package
LTC3788 Yes Yes 2