0
LTC4301
  • LTC4301
  • LTC4301
  • LTC4301
  • LTC4301

LTC4301

PRODUCTION

Supply Independent Hot Swappable 2-Wire Bus Buffer

Analog Devices LTC4301 Product Info

10 February 2026 8

Features

  • Allows Bus Pull-Up Voltages Above or Below VCC
  • Bidirectional Buffer* for SDA and SCL Lines Increases Fanout
  • Prevents SDA and SCL Corruption During Live Board Insertion and Removal from Backplane
  • Isolates Input SDA and SCL Line from Output
  • 10kV Human Body Model ESD Protection
  • 1V Precharge On All SDA and SCL Lines
  • Supports Clock Stretching, Arbitration and Synchronization
  • High Impedance SDA, SCL Pins for VCC = 0V
  • CS Gates Connection from Input to Output
  • Compatible with I²C, I²C Fast Mode and SMBus Standards (Up to 400kHz Operation)
  • Small 8-Pin MSOP and DFN (3mm × 3mm) Packages

Part details & applications

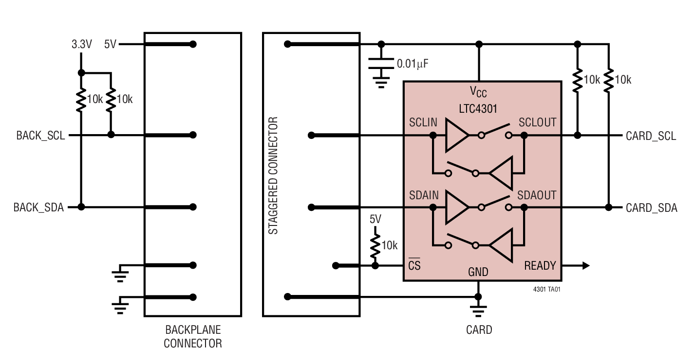
The LTC4301 supply independent, hot swappable, 2-wire bus buffer allows I/O card insertion into a live backplane without corruption of the data and clock busses. In addition, the LTC4301 allows the VCC, SDAIN and SCLIN pullup voltage and the SDAOUT and SCLOUT pull-up voltage to be independent from each other. Control circuitry prevents the backplane from being connected to the card until a stop bit or a bus idle is present. When the connection is made, the LTC4301 provides bidirectional buffering, keeping the backplane and card capacitances isolated.

During insertion, the SDA and SCL lines are precharged to 1V to minimize bus disturbances. When driven low, the CS input pin allows the part to connect after a stop bit or bus idle occurs. Driving CS high breaks the connection between SCLIN and SCLOUT and between SDAIN and SDAOUT. The READY output pin indicates that the backplane and card sides are connected together.

The LTC4301 is offered in 8-pin DFN (3mm × 3mm) and MSOP packages.

Applications

  • Hot Board Insertion
  • Servers
  • Capacitance Buffer/Bus Extender
  • Desktop Computers
  • CompactPCI and ATCA Systems

Subscribe to Welllinkchips !
Your Name
* Email
Submit a request