0
LTC2620
  • LTC2620
  • LTC2620
  • LTC2620
  • LTC2620

LTC2620

PRODUCTION

Octal 12-Bit Rail-to-Rail DACs in 16-Lead SSOP

Analog Devices LTC2620 Product Info

10 February 2026 7

Features

  • Smallest Pin Compatible Octal DACs:
    • LTC2600: 16 Bits
    • LTC2610: 14 Bits
    • LTC2620: 12 Bits
  • Guaranteed 16-Bit Monotonic Over Temperature
  • Wide 2.5V to 5.5V Supply Range
  • Low Power Operation: 250μA per DAC at 3V
  • Individual Channel Power-Down to 1μA, Max
  • Ultralow Crosstalk Between DACs (<10μV)
  • High Rail-to-Rail Output Drive (±15mA, Min)
  • Double-Buffered Digital Inputs
  • Pin Compatible 10-/8-Bit Versions (LTC1660/LTC1665)
  • Tiny 16-Lead Narrow SSOP and 20-Lead 4mm × 5mm QFN Packages

Part details & applications

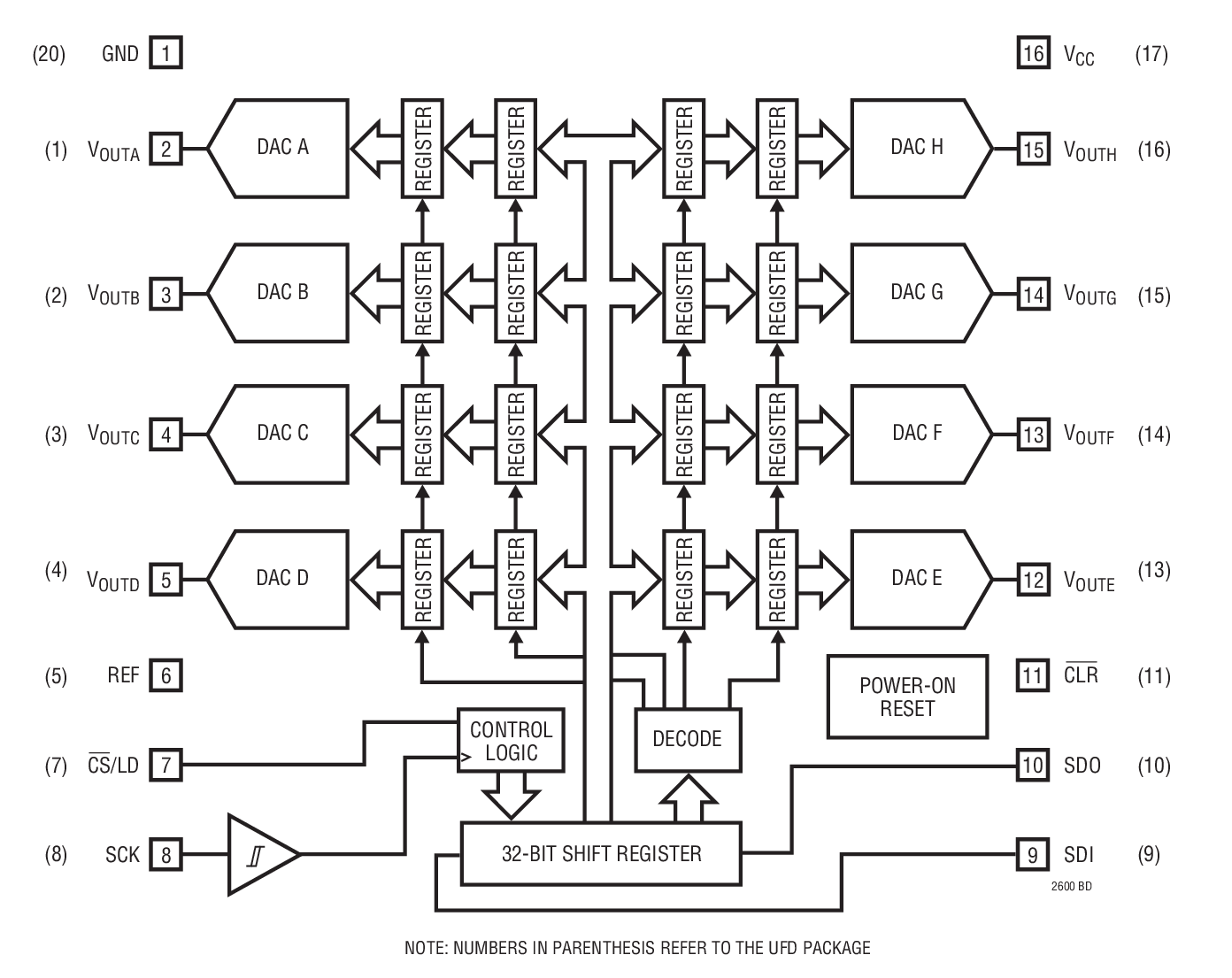
The LTC2600/LTC2610/LTC2620 are octal 16-, 14- and 12-bit, 2.5V-to-5.5V rail-to-rail voltage-output DACs in 16-lead narrow SSOP and 20-lead 4mm × 5mm QFN packages. They have built-in high performance output buffers and are guaranteed monotonic.

These parts establish new board-density benchmarks for 16- and 14-bit DACs and advance performance standards for output drive, crosstalk and load regulation in single-supply, voltage-output multiples.

The parts use a simple SPI/MICROWIRE compatible 3-wire serial interface which can be operated at clock rates up to 50MHz. Daisy-chain capability and a hardware CLR function are included.

The LTC2600/LTC2610/LTC2620 incorporate a power-on reset circuit. During power-up, the voltage outputs rise less than 10mV above zero-scale; and after power-up, they stay at zero-scale until a valid write and update take place.

Applications

  • Mobile Communications
  • Process Control and Industrial Automation
  • Instrumentation
  • Automatic Test Equipment

Subscribe to Welllinkchips !
Your Name
* Email
Submit a request