0
LTC3862-1
  • LTC3862-1
  • LTC3862-1
  • LTC3862-1
  • LTC3862-1
  • LTC3862-1

LTC3862-1

PRODUCTION

Multi-Phase Current Mode Step-Up DC/DC Controller

Analog Devices LTC3862-1 Product Info

10 February 2026 7

Features

  • Wide VIN Range: 8.5V to 36V Operation
  • 2-Phase Operation Reduces Input and Output Capacitance
  • Fixed Frequency, Peak Current Mode Control
  • 10V Gate Drive for High Voltage MOSFETs
  • Adjustable Slope Compensation Gain
  • Adjustable Max Duty Cycle (Up to 96%)
  • Adjustable Leading Edge Blanking
  • ±1% Internal Voltage Reference
  • Programmable Operating Frequency with One External Resistor (75kHz to 500kHz)
  • Phase-Lockable Fixed Frequency 50kHz to 650kHz
  • SYNC Input and CLKOUT for 2-, 3-, 4-, 6- or 12-Phase Operation (PHASEMODE Programmable)
  • Internal 10V LDO Regulator
  • 24-Lead Narrow SSOP Package
  • 5mm × 5mm QFN Package with 0.65mm Lead Pitch
  • 24-Lead Thermally Enhanced TSSOP Package

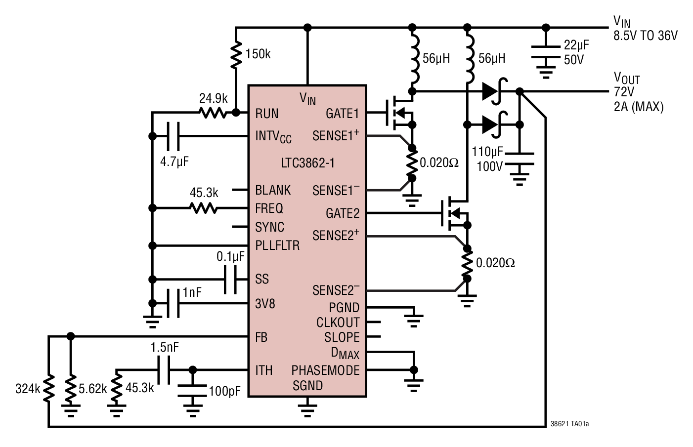
The LTC3862-1 is a two phase constant frequency, current mode boost and SEPIC controller that drives N-channel power MOSFETs. Two phase operation reduces system filtering capacitance and inductance requirements.

The operating frequency can be set with an external resistor over a 75kHz to 500kHz range and can be synchronized to an external clock using the internal PLL. Multi-phase operation is possible using the SYNC input, the CLKOUT output and the PHASEMODE control pin allowing 2-, 3-, 4-, 6- or 12-phase operation.

Other features include an internal 10V LDO with undervoltage lockout protection for the gate drivers, a precision RUN pin threshold with programmable hysteresis, soft-start and

Part details & applications

The LTC3862-1 is a two phase constant frequency, current mode boost and SEPIC controller that drives N-channel power MOSFETs. Two phase operation reduces system filtering capacitance and inductance requirements.

The operating frequency can be set with an external resistor over a 75kHz to 500kHz range and can be synchronized to an external clock using the internal PLL. Multi-phase operation is possible using the SYNC input, the CLKOUT output and the PHASEMODE control pin allowing 2-, 3-, 4-, 6- or 12-phase operation.

Other features include an internal 10V LDO with undervoltage lockout protection for the gate drivers, a precision RUN pin threshold with programmable hysteresis, soft-start and programmable leading edge blanking and maximum duty cycle.

Part Number VIN Range INTVCC UV+