0
LTC3860
  • LTC3860
  • LTC3860

LTC3860

PRODUCTION

Dual, Multiphase Step-Down Voltage Mode DC/DC Controller with Current Sharing

Analog Devices LTC3860 Product Info

10 February 2026 7

Features

  • Operates with Power Blocks, DRMOS or External Gate Drivers and MOSFETs
  • Constant Frequency Voltage Mode Control with Accurate Current Sharing
  • ±0.75% 0.6V Voltage Reference
  • Differential Remote Output Voltage Sense Amplifier
  • Multiphase Capability—Up to 12-Phase Operation
  • Programmable Current Limit
  • Safely Powers a Prebiased Load
  • Programmable or PLL-Synchronizable Switching Frequency Up to 1.25MHz
  • Lossless Current Sensing Using Inductor DCR or Precision Current Sensing with Sense Resistor
  • VCC Range: 3V to 5.5V
  • VIN Range: 3V to 24V
  • Power Good Output Voltage Monitor
  • Output Voltage Tracking Capability
  • Programmable Soft-Start
  • Available in a 32- Pin 5mm × 5mm QFN Package

Part details & applications

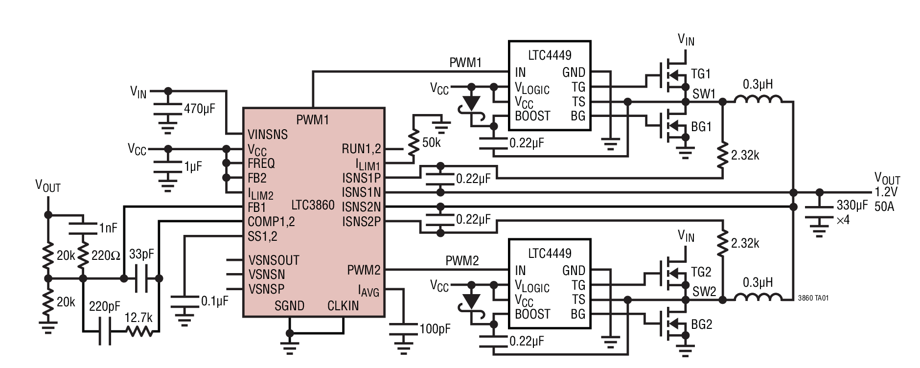
The LTC3860 is a dual, PolyPhase® synchronous stepdown switching regulator controller for high current distributed power systems, digital signal processors, and other telecom and industrial DC/DC power supplies. It uses a constant frequency voltage mode architecture combined with very low offset, high bandwidth error amplifiers and a remote output sense differential amplifier for excellent transient response and output regulation.

The controller incorporates lossless inductor DCR current sensing to maintain current balance between phases and to provide overcurrent protection. The chip operates from a VCC supply between 3V and 5.5V and is designed for stepdown conversion from VIN between 3V and 24V to output voltages between 0.6V and VCC – 0.5V.

The TRACK/SS pins provide programmable soft-start or tracking functions. Inductor current reversal is disabled during soft-start to safely power prebiased loads. The constant operating frequency can be synchronized to an external clock or linearly programmed from 250kHz to 1.25MHz. Up to six LTC3860 controllers can operate in parallel for 1-, 2-, 3-, 4-, 6- or 12-phase operation.

The LTC3860 is available in a 32-pin 5mm × 5mm QFN package.

Applications

  • High Current Distributed Power Systems
  • Digital Signal Processor and ASIC Supplies
  • Telecom Systems
  • Industrial Power Supplies

Subscribe to Welllinkchips !
Your Name
* Email
Submit a request