0
AD5725
  • AD5725
  • AD5725

AD5725

PRODUCTION

Quad, 12-Bit, Parallel Input, Unipolar/Bipolar, Voltage Output DAC

Analog Devices AD5725 Product Info

10 February 2026 7

Features

  • +5 V to ±15 V operation
  • Unipolar or bipolar operation
  • ±0.5 LSB max INL error, ±1 LSB max DNL error
  • Settling time: 10 μs max (10 V step)
  • Double-buffered inputs
  • Simultaneous updating via LDAC
  • Asynchronous CLR to zero/mid scale
  • Readback
  • Operating temperature range: −40°C to +85°C
  • iCMOS® process technology

Part details & applications

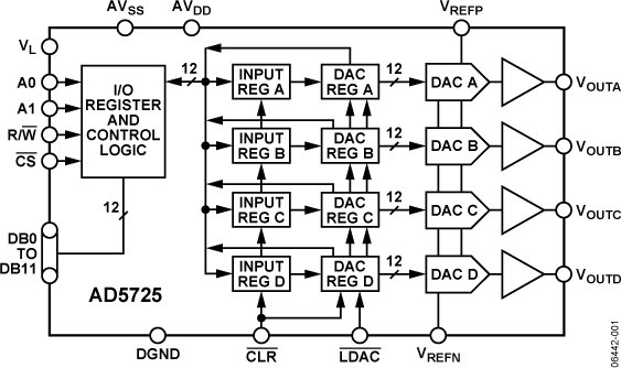
The AD5725 is a quad, 12-bit, parallel input, voltage output digital-to-analog converter that offers guaranteed monotonicity, integral nonlinearity (INL) of ±0.5 LSB maximum and 10 μs maximum settling time.

Output voltage swing is set by two reference inputs, VREFP and VREFN. By setting the VREFN input to 0 V and the VREFP to a positive voltage, the DAC provides a unipolar positive output range. A similar configuration with VREFP at 0 V and VREFN at a negative voltage provides a unipolar negative output range. Bipolar outputs are configured by connecting both VREFP and VREFN to nonzero voltages. This method of setting output voltage ranges has advantages over the bipolar offsetting methods because it is not dependent on internal and external resistors with different temperature coefficients.

Digital controls allow the user to load or read back data from any DAC, load any DAC, and transfer data to all DACs at one time.

The AD5725 is available in a 28-lead SSOP package. It can be operated from a wide variety of supply and reference voltages, with supplies ranging from single +5 V to ±15 V, and references from +2.5 V to ±10 V. Power dissipation is less than 270 mW with ±15 V supplies and only 40 mW with a +5 V supply. Operation is specified over the temperature range of −40°C to +85°C.

APPLICATIONS

  • Industrial automation
  • Closed-loop servo control, process control
  • Automotive test and measurement
  • Programmable logic controllers

Subscribe to Welllinkchips !
Your Name
* Email
Submit a request