0
LTC3634
  • LTC3634
  • LTC3634
  • LTC3634
  • LTC3634

LTC3634

PRODUCTION

15V Dual 3A Monolithic Step-Down Regulator for DDR Power

Analog Devices LTC3634 Product Info

10 February 2026 6

Features

  • 3.6V to 15V Input Voltage Range
  • ±3A Output Current per Channel
  • Up to 95% Efficiency
  • Selectable 90°/180° Phase Shift Between Channels
  • Adjustable Switching Frequency: 500kHz to 4MHz
  • VTTR = VDDQ/2 = VTT Reference
  • ±1.6% Accurate VTTR at 0.75V
  • Optimal VOUT Range: 0.6V to 3V
  • ±10mA Buffered Output Supplies VREF Reference Voltage
  • Current Mode Operation for Excellent Line and Load Transient Response
  • External Clock Synchronization
  • Short-Circuit Protected
  • Input Overvoltage and Overtemperature Protection
  • Power Good Status Outputs
  • Available in (4mm × 5mm) QFN-28 and Thermally Enhanced 28-Lead TSSOP Packages

Part details & applications

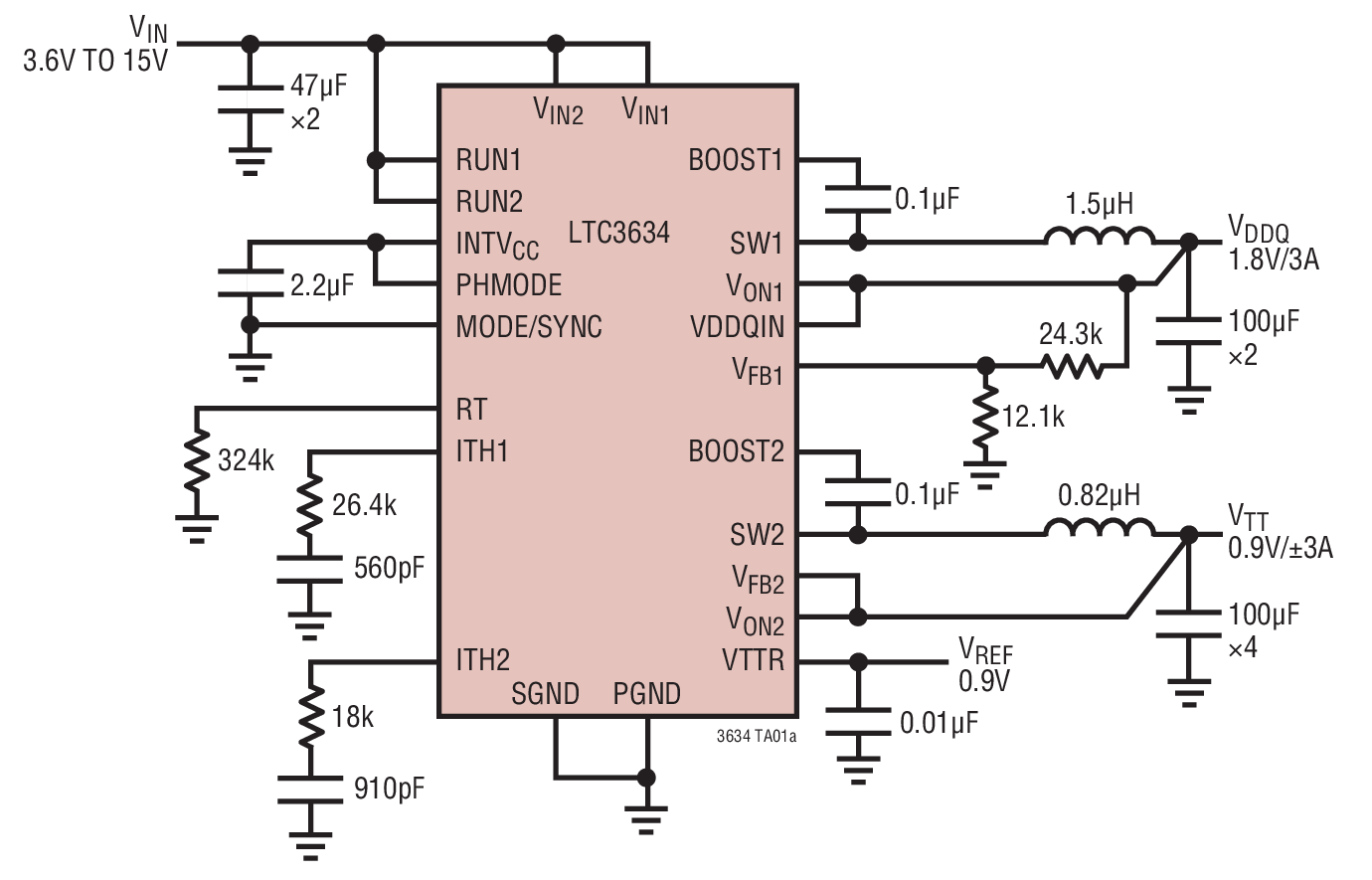
The LTC3634 is a high efficiency, dual-channel monolithic synchronous step-down regulator which provides power supply and bus termination rails for DDR1, DDR2, and DDR3 SDRAM controllers. The operating input voltage range is 3.6V to 15V, making it suitable for point-of-load power supply applications from a 5V or 12V input, as well as various battery powered systems.

The VTT regulated output voltage is equal to VDDQIN • 0.5. An on-chip buffer capable of driving a 10mA load provides a low noise reference output (VTTR) also equal to VDDQIN • 0.5.

The operating frequency is programmable and synchronizable from 500kHz to 4MHz with an external resistor. The two channels can operate 180° out-of-phase, which relaxes the requirements for input and output capacitance. The unique controlled on-time architecture is ideal for powering DDR applications from a 12V supply at high switching frequencies, allowing the use of smaller external components.

The LTC3634 is offered in both 28-pin 4mm × 5mm QFN and 28-pin exposed pad TSSOP packages.

Applications

  • DDR Memory Power Supplies

Subscribe to Welllinkchips !
Your Name
* Email
Submit a request