0
LTC1407
  • LTC1407
  • LTC1407
  • LTC1407

LTC1407

PRODUCTION

Serial 12-Bit/14-Bit, 3Msps Simultaneous Sampling ADCs with Shutdown

Analog Devices LTC1407 Product Info

10 February 2026 5

Features

  • 3Msps Sampling ADC with Two Simultaneous Differential Inputs
  • 1.5Msps Throughput per Channel
  • Low Power Dissipation: 14mW (Typ)
  • 3V Single Supply Operation
  • 2.5V Internal Bandgap Reference with External Overdrive
  • 3-Wire Serial Interface

  • Sleep (10µW) Shutdown Mode
  • Nap (3mW) Shutdown Mode
  • 80dB Common Mode Rejection at 100kHz
  • 0V to 2.5V Unipolar Input Range
  • Tiny 10-Lead MS Package

Part details & applications

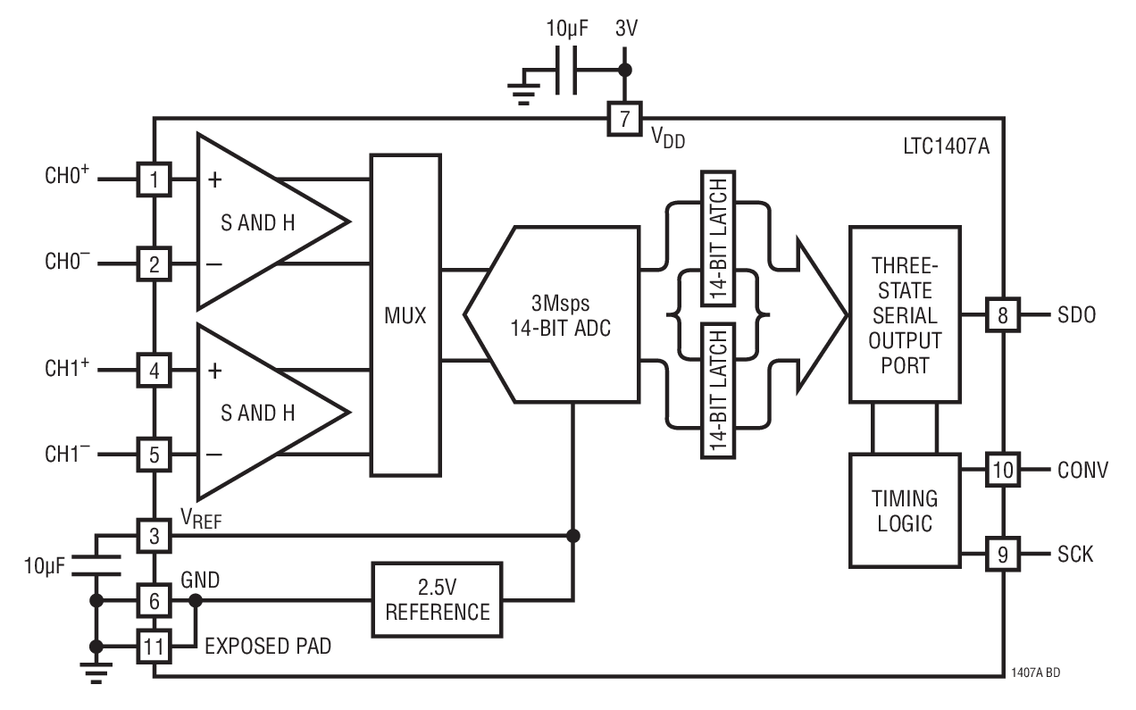
The LTC1407/LTC1407A are 12-bit/14-bit, 3Msps ADCs with two 1.5Msps simultaneously sampled differential inputs. The devices draw only 4.7mA from a single 3V supply and come in a tiny 10-lead MS package. A Sleep shutdown feature lowers power consumption to 10µW. The combination of speed, low power and tiny package makes the LTC1407/LTC1407A suitable for high speed, portable applications.

The LTC1407/LTC1407A contain two separate differential inputs that are sampled simultaneously on the rising edge of the CONV signal. These two sampled inputs are then converted at a rate of 1.5Msps per channel.

The 80dB common mode rejection allows users to eliminate ground loops and common mode noise by measuring signals differentially from the source.

The devices convert 0V to 2.5V unipolar inputs differentially. The absolute voltage swing for CH0+, CH0, CH1+ and CH1 extends from ground to the supply voltage.

The serial interface sends out the two conversion results in 32 clocks for compatibility with standard serial interfaces.

Resolution INL (typ/max) Input Range
LTC1407 12 bits 0.25 LSB typ / 2 LSB max