0
LTC3633A-2
  • LTC3633A-2
  • LTC3633A-2
  • LTC3633A-2
  • LTC3633A-2

LTC3633A-2

PRODUCTION

Dual Channel 3A, 20V Monolithic Synchronous Step-Down Regulator

Analog Devices LTC3633A-2 Product Info

10 February 2026 10

Features

  • 3.6V to 20V Input Voltage Range
  • 3A Output Current per Channel
  • Up to 95% Efficiency
  • Low Duty Cycle Operation: 5% at 2.25MHz
  • Selectable 0°/180° Phase Shift Between Channels
  • Adjustable Switching Frequency: 500kHz to 4MHz
  • External Frequency Synchronization
  • Current Mode Operation for Excellent Line and Load Transient Response
  • 0.6V Reference Allows Low Output Voltages
  • User Selectable Burst Mode® Operation or Forced Continuous Operation
  • Output Voltage Tracking and Soft-Start Capability
  • Short-Circuit Protected
  • Overvoltage Input and Overtemperature Protection
  • Power Good Status Outputs
  • Available in (4mm × 5mm) QFN-28 and 28-Lead TSSOP Packages

Part details & applications

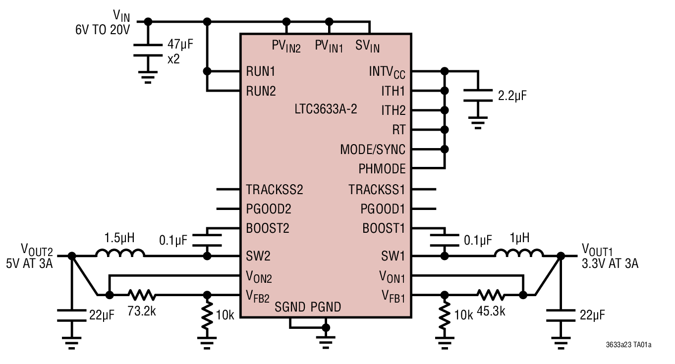
The LTC3633A-2 is a high efficiency, dual-channel monolithic synchronous buck regulator using a controlled on-time, current mode architecture, with phase lockable switching frequency. The two channels can run 180° out of phase to relax the requirements for input and output capacitance. The operating supply voltage range is from 3.6V to 20V, making it suitable for lithium-ion battery stacks as well as point of load power supply applications from a 12V or 5V supply.

The operating frequency is programmable from 500kHz to 4MHz with an external resistor and may be synchronized to an external clock signal. The high frequency capability allows the use of small surface mount inductors and capacitors. The unique constant frequency/controlled on-time architecture is ideal for high step-down ratio applications that operate at high frequency while demanding fast transient response. An internal phase locked loop servos the on-time of the internal one-shot timer to match the frequency of the internal clock or an applied external clock.

The LTC3633A-2 can select between forced continuous mode and high efficiency Burst Mode operation. The LTC3633A-2 and LTC3633A-3 differ in their output voltage sense range (refer to Table 1 in the Operation section of the datasheet for a description of the entire LTC3633A product family).

Part Number