0
LTC3425
  • LTC3425
  • LTC3425
  • LTC3425

LTC3425

RECOMMENDED FOR NEW DESIGNS

5A, 8MHz, 4-Phase Synchronous Step-Up DC/DC Converter

Analog Devices LTC3425 Product Info

10 February 2026 8

Features

  • High Efficiency: Up to 95%
  • Up to 3A Continuous Output Current
  • 4-Phase Operation for Low Output Ripple and Tiny Solution Size
  • Output Disconnect and Inrush Current Limiting
  • Very Low Quiescent Current: 12µA
  • 0.5V to 4.5V Input Range
  • 2.4V to 5.25V Adjustable Output Voltage
  • Adjustable Current Limit
  • Adjustable, Fixed Frequency Operation from 100kHz to 2MHz per Phase
  • Synchronizable Oscillator with Sync Output
  • Internal Synchronous Rectifiers
  • Manual or Automatic Burst Mode® Operation
  • Power Good Comparator
  • <1µA Shutdown Current
  • Antiringing Control
  • 5mm x 5mm Thermally Enhanced QFN Package

Part details & applications

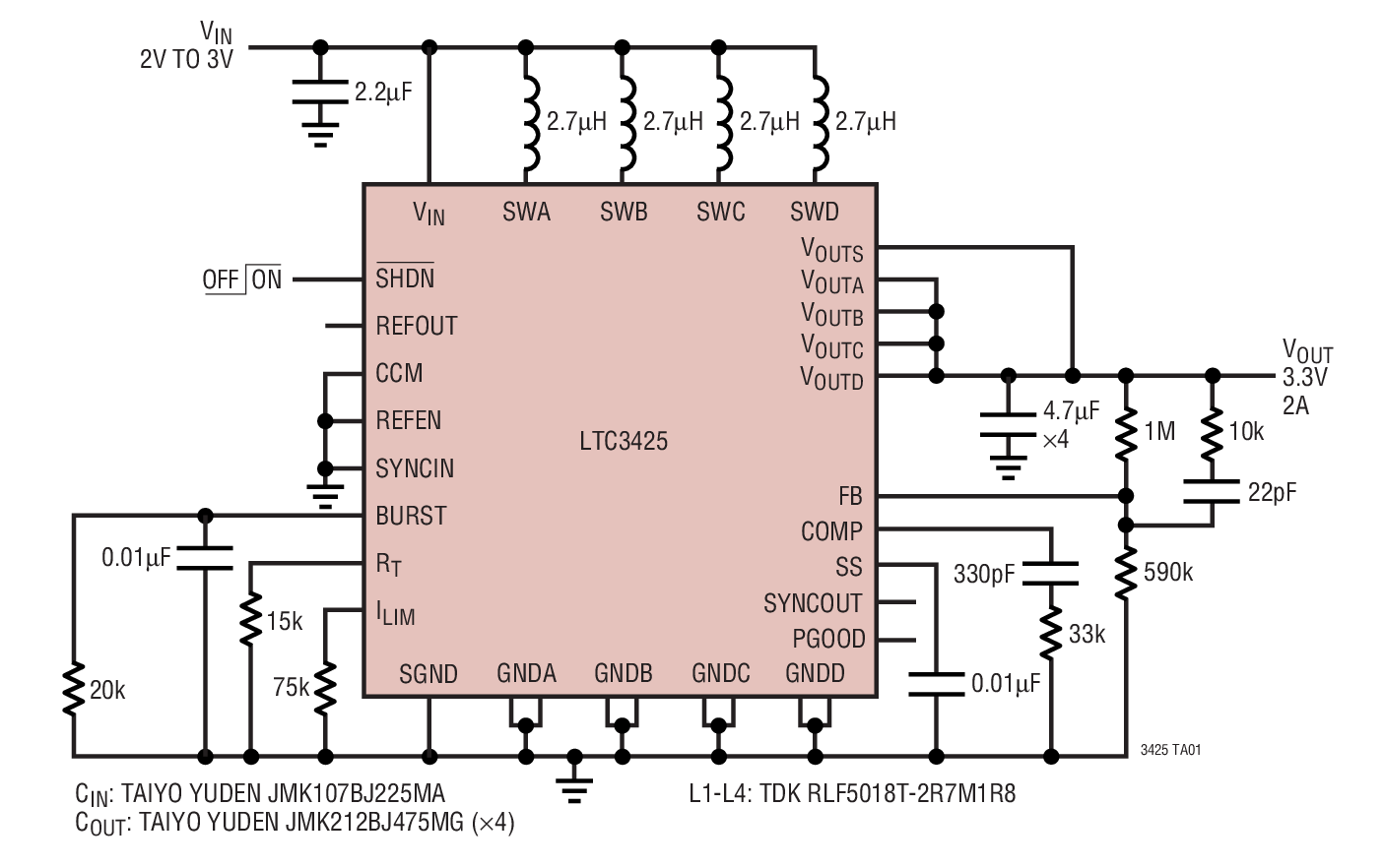
The LTC3425 is a synchronous, 4-phase boost converter with output disconnect capable of operation below 1V input. It includes four N-channel MOSFET switches and four P-channel synchronous rectifiers for an effective RDS(ON) of 0.045Ω and 0.05Ω, respectively. 4-phase operation greatly reduces peak inductor currents, and capacitor ripple current, and increases effective switching frequency, minimizing inductor and capacitor sizes. True output disconnect eliminates inrush current and allows zero load current in shutdown. External Schottky diodes are not required in most applications (VOUT < 4.3V). Power saving Burst Mode operation can be user controlled or left in automatic mode.

Other features include 1µA shutdown current, programmable frequency with sync in and out, programmable soft-start, antiringing control, thermal shutdown, adjustable current limit, reference output and power good comparator.

The LTC3425 is available in a small, thermally enhanced 32-pin QFN package.

Applications

  • Handheld Computers
  • Point-of-Load Regulators
  • 3.3V to 5V Conversion

Subscribe to Welllinkchips !
Your Name
* Email
Submit a request