0
LTC1283
  • LTC1283
  • LTC1283
  • LTC1283

LTC1283

LAST TIME BUY

3V Single Chip 10-Bit Data Acquisition System

Analog Devices LTC1283 Product Info

10 February 2026 8

Features

  • Single Supply 3.3V or ±3.3V Operation
  • Software Programmable Features:
    • Unipolar/Bipolar Conversions
    • 4 Differential/8 Single-Ended Inputs
    • MSB- or LSB-First Data Sequence
    • Variable Data Word Length
  • Built-In Sample-and-Hold
  • Direct 4-Wire Interface to Most MPU Serial Ports and all MPU Parallel Ports
  • 15kHz Maximum Throughput Rate

Part details & applications

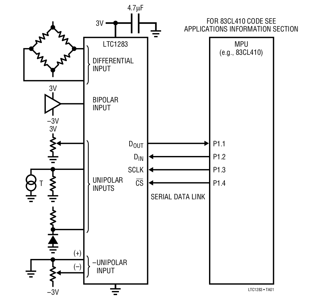
The LTC1283 is a 3V data acquisition component which contains a serial I/O successive approximation A/D converter. It uses LTCMOSswitched capacitor technology to perform either 10-bit unipolar, or 9-bit plus sign bipolar A/D conversions. The 8-channel input multiplexer can be configured for either single-ended or differential inputs (or combinations thereof). An on-chip sample-and-hold is included for all single-ended input channels.

The serial I/O is designed to be compatible with industry-standard full-duplex serial interfaces. It allows either MSB-or LSB-first data and automatically provides 2’s complement output coding in the bipolar mode. The output data word can be programmed for a length of 8-, 10-, 12-, or 16-bit. This allows easy interface to shift registers and a variety of processors.

Both the LTC1283A and LTC1283 are specified with offset and linearity errors less than ±0.5LSB. The LTC1283A has a gain error limit of ±1LSB. The 1283 is specified with a gain error limit of ±2LSB for applications where gain is adjustable or less critcial.

Applications

  • Minimum Guaranteed Supply Voltage: 3V
  • Resolution: 10 Bits
  • Offset Error: ±0.5LSB Max
  • Linearity Error: ±0.5LSB Max
  • Gain Error (LTC1283A): ±1LSB Max
  • Conversion Time: 44μs
  • Supply Current: 350µA Max, 150µA Typ

Subscribe to Welllinkchips !
Your Name
* Email
Submit a request