0
AD7984
  • AD7984
  • AD7984
  • AD7984

AD7984

PRODUCTION

18-Bit, 1.33 MSPS PulSAR 10.5 mW ADC in MSOP/QFN

Analog Devices AD7984 Product Info

10 February 2026 10

Features

  • High performance
  • Throughput: 1.33 MSPS
    • True differential analog input range: ±VREF
      • 0 V to VREF with VREF between 2.9 V to 5 V
      • Easy to drive with the ADA4941
    • Throughput: 1.33 MSPS
      • Zero latency architecture
    • 18-bit resolution with no missing codes
    • INL: ±2.25 LSB maximum
    • Dynamic range: 99.7 dB, VREF = 5 V
    • SNR: 98.5 dB at fIN = 1 kHz, VREF = 5 V
    • THD: −110.5 dB at fIN = 1 kHz, VREF = 5 V
    • SINAD: 97.5 dB at fIN = 1 kHz, VREF = 5 V
  • Low power dissipation
    • Single-supply 2.5 V operation with 1.8 V/2.5 V/3 V/5 V logic interface
    • 5.3 mW at 1.33 MSPS (VDD only)
    • 10.5 mW at 1.33 MSPS (total)
    • 80 μW at 10 kSPS
  • Proprietary serial interface
    • SPI/QSPI/MICROWIRE/DSP compatible
  • Ability to daisy-chain multiple ADCs and busy indicator
  • 10-lead MSOP and 10-lead, 3 mm × 3 mm LFCSP
  • Wide operating temperature range: −40°C to +85°C

Part details & applications

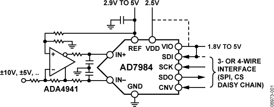
The AD7984 is an 18-bit, successive approximation, analog-to-digital converter (ADC) that operates from a single power supply, VDD. It contains a low power, high speed, 18-bit sampling ADC and a versatile serial interface port. On the CNV rising edge, the AD7984 samples the voltage difference between the IN+ and IN− pins. The voltages on these pins usually swing in opposite phases between 0 V and VREF. The reference voltage, REF, is applied externally and can be set independent of the supply voltage, VDD.

The SPI-compatible serial interface also features the ability, using the SDI input, to daisy-chain several ADCs on a single 3-wire bus and provides an optional busy indicator. It is compatible with 1.8 V, 2.5 V, 3 V, and 5 V logic, using the separate VIO supply.

The AD7984 is available in a 10-lead MSOP or a 10-lead LFCSP with operation specified from −40°C to +85°C.

Applications

  • Automated test equipment
  • Data acquisition systems
  • Medical instruments
  • Machine automation

Subscribe to Welllinkchips !
Your Name
* Email
Submit a request