0
LTC2877
  • LTC2877
  • LTC2877
  • LTC2877
  • LTC2877
  • LTC2877
  • LTC2877

LTC2877

PRODUCTION

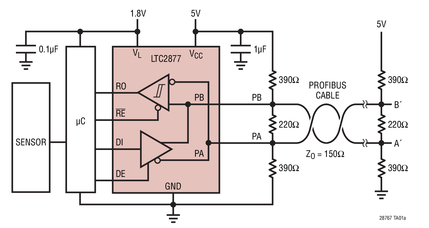
±60V Rugged PROFIBUS RS485 Transceivers

Analog Devices LTC2877 Product Info

10 February 2026 9

Features

  • PROFIBUS IEC 61158-2 Compliant
  • Protected from Overvoltage Line Faults to ±60V
  • ±52kV ESD Interface Pins, ±15kV All Other Pins
  • ±2kV (Level 4) IEC61000-4-4 Fast Transient Burst
  • ±25V Working Common Mode Range
  • 20Mbps Maximum Baud Rate
  • 1.65V to 5.5V Logic Supply Pin for Flexible Digital Interfacing (LTC2877)
  • 5V Supply Can Operate Down to 3V for Low Power, Low Swing Applications
  • Fully Balanced Differential Receiver Thresholds with
  • 240mV Hysteresis for Superior Noise Tolerance and
  • Low Duty Cycle Distortion
  • Receiver Failsafe for Open, Shorted and Terminated Conditions
  • Wide Operating Temperature Range: –40°C to 125°C
  • Available in Small DFN and MSOP Packages

Part details & applications

The LTC2876 and LTC2877 are PROFIBUS RS485 transceivers designed to meet the test specifications for PROFIBUS-DP masters and PROFIBUS-DP slaves, fully compatible with IEC 61158-2, type 3: medium attachment unit (MAU). With operation up to 20Mbps, the LTC2876/ LTC2877 supports all PROFIBUS data rates up to 12Mbps.

The LTC2876 and LTC2877 are exceptionally robust, tolerating ±60V faults on the bus pins and protected to ±52kV ESD. These devices are suitable for harsh environments or where 24V power might be inadvertently connected. Extended ±25V input common mode range and full fail safe operation improve data communication reliability in noisy systems.

The LTC2876 and LTC2877 meet PROFIBUS and RS485 specifications with a supply voltage of 4.5V to 5.5V but can operate down to 3V with reduced supply current.

Product Selection Guide
PART NUMBER LOGIC SUPPLY PIN PACKAGE
LTC2876 NO DFN-8, MSOP-8
LTC2877 YES DFN-10, MSOP-10