0
LTC2145-12
  • LTC2145-12
  • LTC2145-12
  • LTC2145-12
  • LTC2145-12
  • LTC2145-12

LTC2145-12

PRODUCTION

12-Bit, 125Msps Low Power Dual ADCs

Analog Devices LTC2145-12 Product Info

10 February 2026 7

Features

  • 2-Channel Simultaneously Sampling ADC
  • 70.6dB SNR
  • 89dB SFDR
  • Low Power: 183mW/144mW/109mW Total 92mW/72mW/55mW per Channel
  • Single 1.8V Supply
  • CMOS, DDR CMOS, or DDR LVDS Outputs
  • Selectable Input Ranges: 1VP-P to 2VP-P
  • 750MHz Full Power Bandwidth S/H
  • Optional Data Output Randomizer
  • Optional Clock Duty Cycle Stabilizer
  • Shutdown and Nap Modes
  • Serial SPI Port for Configuration
  • 64-Pin (9mm × 9mm) QFN Package

Part details & applications

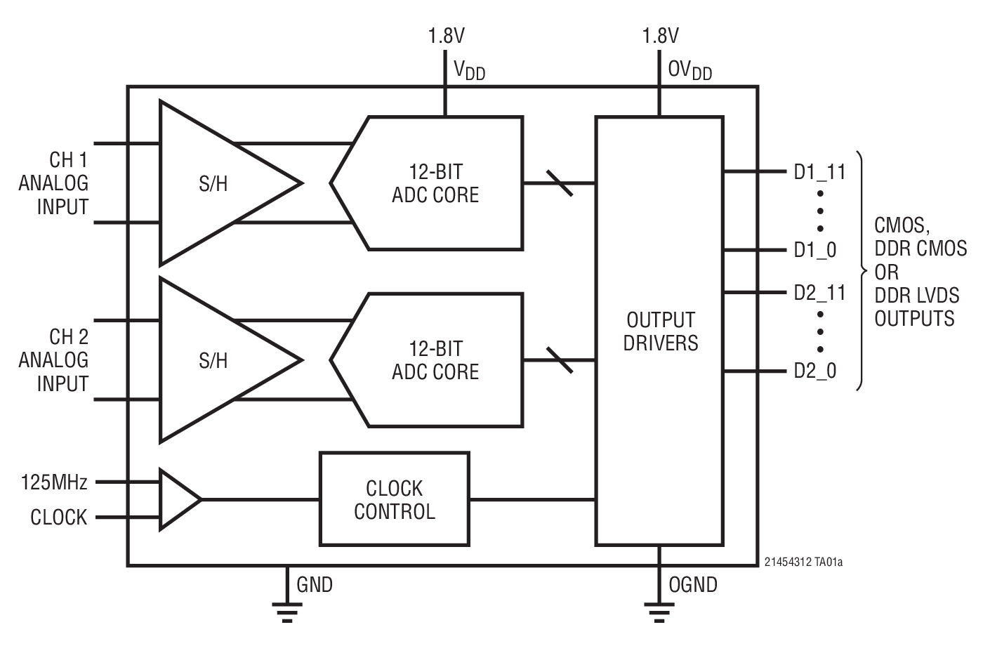
The LTC2145-12/LTC2144-12/LTC2143-12 are 2-channel simultaneous sampling 12-bit A/D converters designed for digitizing high frequency, wide dynamic range signals. They are perfect for demanding communications applications with AC performance that includes 70.6dB SNR and 89dB spurious free dynamic range (SFDR). Ultralow jitter of 0.08psRMS allows undersampling of IF frequencies with excellent noise performance.

DC specs include ±0.3LSB INL (typ), ±0.1LSB DNL (typ) and no missing codes over temperature. The transition noise is 0.3LSBRMS.

The digital outputs can be either full rate CMOS, double data rate CMOS, or double data rate LVDS. A separate output power supply allows the CMOS output swing to range from 1.2V to 1.8V.

The ENC+ and ENC inputs may be driven differentially or single-ended with a sine wave, PECL, LVDS, TTL, or CMOS inputs. An optional clock duty cycle stabilizer allows high performance at full speed for a wide range of clock duty cycles.

  Bits
LTC2145-12 12
LTC2145-14 14

Applications

Subscribe to Welllinkchips !
Your Name
* Email
Submit a request