0
LTC2855
  • LTC2855
  • LTC2855
  • LTC2855
  • LTC2855
  • LTC2855

LTC2855

PRODUCTION

3.3V 20Mbps RS485/RS422 Transceiver with Integrated Switchable Termination

Analog Devices LTC2855 Product Info

10 February 2026 6

Features

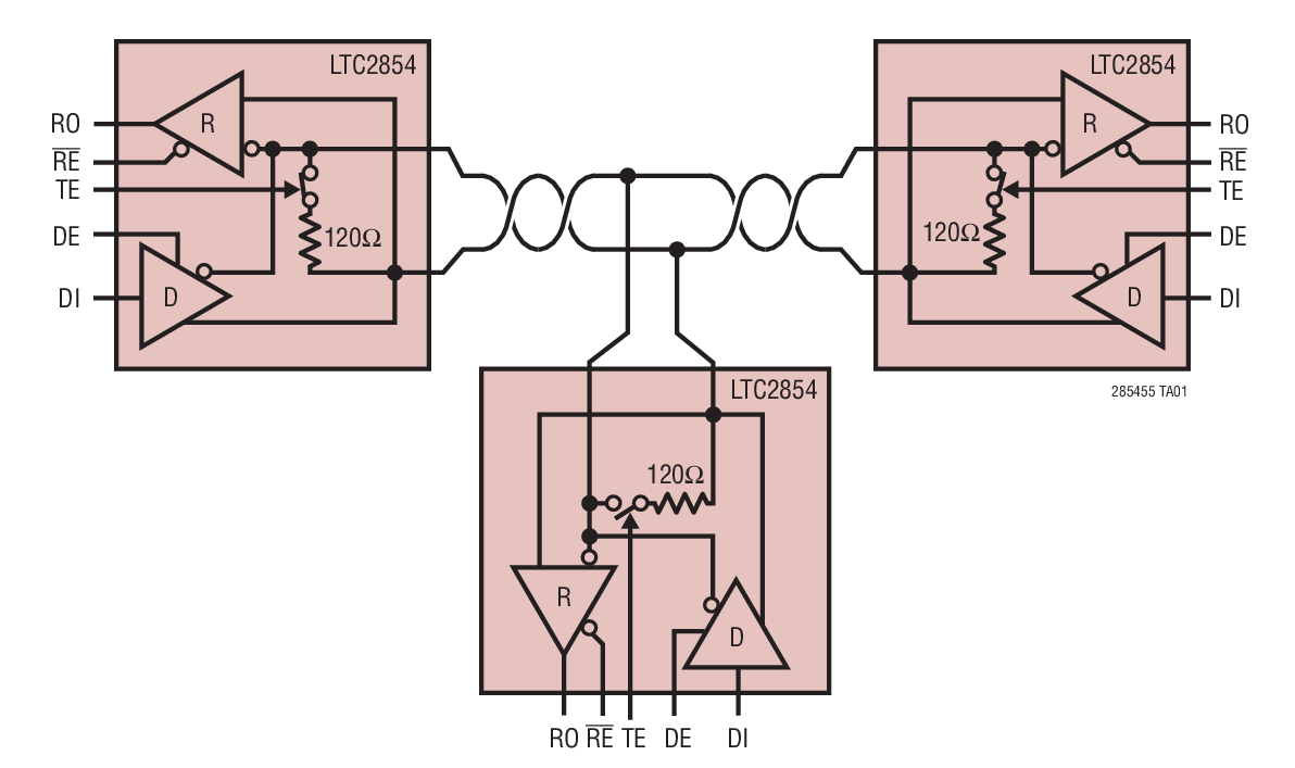
  • Integrated, Logic-Selectable 120Ω Termination Resistor
  • 3.3V Supply Voltage
  • 20Mbps Maximum Data Rate
  • No Damage or Latchup Up to ±25kV HBM
  • High Input Impedance Supports 256 Nodes (C-, I‑Grade)
  • Operation Up to 125°C (H-Grade)
  • Guaranteed Fail-safe Receiver Operation Over the Entire Common Mode Range
  • Current Limited Drivers and Thermal Shutdown
  • Delayed Micropower Shutdown: 5μA Maximum (C-, I-Grade)
  • Power Up/Down Glitch-Free Driver Outputs
  • Low Operating Current: 370μA Typical in Receive Mode
  • Compatible with TIA/EIA-485-A Specifications
  • Available in 10-Pin 3mm × 3mm DFN, 12-Pin 4mm × 3mm DFN and 16-Pin SSOP Packages

Part details & applications

The LTC2854 and LTC2855 are low power, 20Mbps RS485/RS422 transceivers operating on 3.3V supplies. The receiver includes a logic-selectable 120Ω termination, one-eighth unit load supporting up to 256 nodes per bus (C-, I-Grade), and a fail-safe feature that guarantees a high output state under conditions of floating or shorted inputs.

The driver maintains a high output impedance over the entire common mode range when disabled or when the supply is removed. Excessive power dissipation caused by bus contention or a fault is prevented by current limiting all outputs and by a thermal shutdown.

Enhanced ESD protection allows the LTC2854 to withstand ±25kV (human body model) and the LTC2855 to withstand ±15kV on the transceiver interface pins without latchup or damage.

Part Number Duplex Package
LTC2854 Half DFN-10
LTC2855 Full SSOP-16, DFN-12

Application