0
LTC2482
  • LTC2482
  • LTC2482
  • LTC2482

LTC2482

PRODUCTION

16-Bit ΔΣ ADC with Easy Drive Input Current Cancellation

Analog Devices LTC2482 Product Info

10 February 2026 8

Features

  • Easy Drive Technology Enables Rail-to-Rail Inputs with Zero Differential Input Current
  • Directly Digitizes High Impedance Sensors with Full Accuracy
  • 600nV RMS Noise, Independent of VREF
  • Operates with a Reference as Low as 100mV with 16-Bit Resolution
  • GND to VCC Input/Reference Common Mode Range
  • Simultaneous 50Hz/60Hz Rejection Mode
  • 2ppm INL, No Missing Codes
  • 1ppm Offset and 15ppm Total Unadjusted Error
  • No Latency: Digital Filter Settles in a Single Cycle
  • Single Supply 2.7V to 5.5V Operation
  • Internal Oscillator
  • Available in a Tiny (3mm × 3mm) 10-Lead DFN Package

Part details & applications

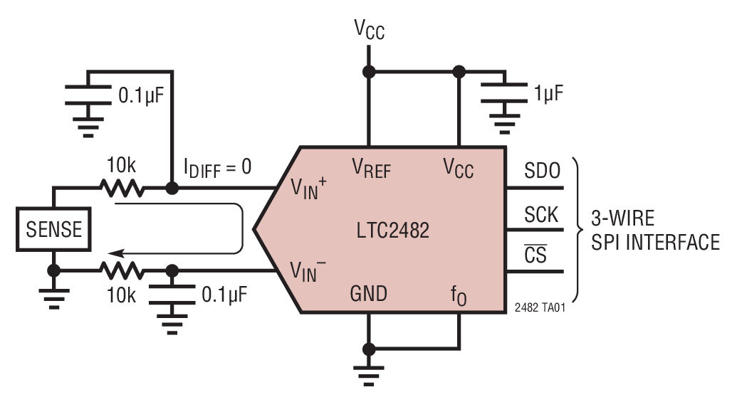
The LTC2482 combines a 16-bit plus sign No Latency ΔΣ analog-to-digital converter with patented Easy Drive technology. The patented sampling scheme eliminates dynamic input current errors and the shortcomings of on-chip buffering through automatic cancellation of differential input current. This allows large external source impedances and input signals with rail-to-rail input range to be directly digitized while maintaining exceptional DC accuracy.

The LTC2482 allows a wide common mode input range (0V to VCC) independent of the reference voltage. The reference can be as low as 100mV or can be tied directly to VCC. The noise level is 600nV RMS independent of VREF. This allows direct digitization of low level signals with 16-bit accuracy. The LTC2482 includes an on-chip trimmed oscillator, eliminating the need for external crystals or oscillators and provides 87dB rejection of 50Hz and 60Hz line frequency noise. Absolute accuracy and low drift are automatically maintained through continuous, transparent, offset and full-scale calibration.

Applications

  • Direct Sensor Digitizer
  • Weight Scales
  • Direct Temperature Measurement
  • Strain Gauge Transducers
  • Instrumentation
  • Industrial Process Control
  • DVMs and Meters

Subscribe to Welllinkchips !
Your Name
* Email
Submit a request