0
MAX2830
  • MAX2830

MAX2830

PRODUCTION

2.4GHz to 2.5GHz 802.11g/b RF Transceiver with PA and Rx/Tx/Diversity Switch Industry's First 802.11g/b RF Transceiver with Integrated PA, Rx/Tx and Antenna Diversity Switches

Analog Devices MAX2830 Product Info

10 February 2026 6

Features

  • 2.4GHz to 2.5GHz ISM Band Operation
  • IEEE 802.11g/b Compatible (54Mbps OFDM and 11Mbps CCK)
  • Complete RF Transceiver, PA, Rx/Tx and Antenna Diversity Switch, and Crystal Oscillator
    • Best-in-Class Transceiver Performance
    • 62mA Receiver Current
    • 3.3dB Rx Noise Figure
    • -75dBm Rx Sensitivity (54Mbps OFDM)
    • No I/Q Calibration Required
    • 0.1dB/0.35° Rx I/Q Gain/Phase Imbalance
    • 33dB RF and 62dB Baseband Gain Control Range
    • 60dB Range Analog RSSI per RF Gain Setting
    • Fast Rx I/Q DC-Offset Settling
    • Programmable Baseband Lowpass Filter
    • 20-Bit Sigma-Delta Fractional-N PLL with < 20Hz Step Size
    • Digitally Tuned Crystal Oscillator
    • +17.1dBm Transmit Power (5.6% EVM with 54Mbps OFDM)
    • 31dB Tx Gain Control Range
    • Integrated Power Detector
    • Fully Integrated RF Input and Output Matching and DC Blocking
    • Serial or Parallel Gain-Control Interface
    • > 40dB Tx Sideband Suppression Without Calibration
    • Rx/Tx I/Q Error Detection
  • Transceiver Operates from +2.7V to +3.6V
  • PA Operates from +2.7V to +4.2V
  • Low-Power Shutdown Mode
  • Small 48-Pin TQFN Package (7mm x 7mm x 0.8mm)

Part details & applications

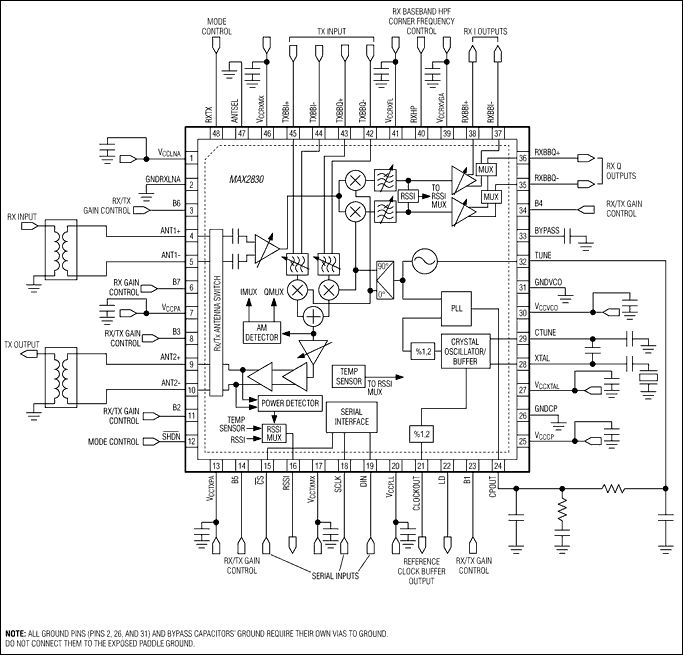
The MAX2830 direct conversion, zero-IF, RF transceiver is designed specifically for 2.4GHz to 2.5GHz 802.11g/b WLAN applications. The MAX2830 completely integrates all circuitry required to implement the RF transceiver function, providing an RF power amplifier (PA), an Rx/Tx and antenna diversity switch, RF-to-baseband receive path, baseband-to-RF transmit path, voltage-controlled oscillator (VCO), frequency synthesizer, crystal oscillator, and baseband/control interface. The MAX2830 includes a fast-settling sigma-delta RF synthesizer with smaller than 20Hz frequency steps and a digitally tuned crystal oscillator allowing use of a low-cost crystal. No I/Q calibration is required; however, the device also integrates on-chip DC-offset cancellation and I/Q errors and carrier leakage-detection circuits for improved performance. Only an RF bandpass filter (BPF), crystal, a pair of baluns, and a small number of passive components are needed to form a complete 802.11g/b WLAN RF front-end solution.

The MAX2830 completely eliminates the need for an external SAW filter by implementing on-chip monolithic filters for both the receiver and transmitter. The baseband filters are optimized to meet the IEEE® 802.11g standard and proprietary turbo modes up to 40MHz channel bandwidth. These devices are suitable for the full range of 802.11g OFDM data rates (6Mbps to 54Mbps) and 802.11b QPSK and CCK data rates (1Mbps to 11Mbps). The ICs are available in a small, 48-pin TQFN package measuring only 7mm x 7mm x 0.8mm.

Applications

  • General 2.4GHz ISM Radios
  • Wi-Fi, PDA, VoIP, and Cellular Handsets
  • Wireless Speakers and Headphones

Subscribe to Welllinkchips !
Your Name
* Email
Submit a request