0
MAX7036
  • MAX7036

MAX7036

RECOMMENDED FOR NEW DESIGNS

300MHz to 450MHz ASK Receiver with Internal IF Filter Provides Excellent Receive Sensitivity, While Reducing the Overall Component Count and System Cost

Analog Devices MAX7036 Product Info

10 February 2026 9

Features

  • ASK/OOK Modulation
  • < 250µs Enable Turn-On Time
  • On-Chip PLL, VCO, Mixer, IF, Baseband
  • Low IF (200kHz Nominal)
  • 5.5mA DC Current
  • 1µA Standby Current
  • 3.3V/5V Operation
  • Small 20-Pin Thin QFN Package with an Exposed Pad
  • AEC-Q100 Qualified

Part details & applications

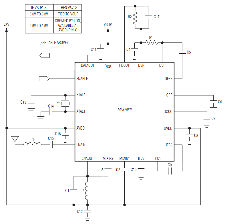
The MAX7036 low-cost receiver is designed to receive amplitude-shift-keyed (ASK) and on-off-keyed (OOK) data in the 300MHz to 450MHz frequency range. The receiver has an RF input signal range of -109dBm to 0dBm.

The MAX7036 requires few external components and has a power-down pin to put it in a low-current sleep mode, making it ideal for cost- and power-sensitive applications. The low-noise amplifier (LNA), phase-locked loop (PLL), mixer, IF filter, received-signal-strength indicator (RSSI), and baseband sections are all on-chip. The MAX7036 uses a very-low intermediate frequency (VLIF) architecture. The MAX7036 integrates the IF filter on-chip and therefore eliminates an external ceramic filter, reducing the bill-of-materials cost. The device also contains an on-chip automatic gain control (AGC) that reduces the LNA gain by 30dB when the input signal power is large. The MAX7036 operates from either a 5V or a 3.3V power supply and draws 5.5mA (typ) of current.

The MAX7036 is available in a 20-pin thin QFN package with an exposed pad and is specified over the AEC-Q100 Level 2 (-40°C to +105°C) temperature range.

Applications

  • Garage Door Openers
  • Home Automation
  • Low-Cost RKE
  • Remote Controls
  • Security Systems
  • Sensor Networks

Subscribe to Welllinkchips !
Your Name
* Email
Submit a request