0
LTC2450
  • LTC2450
  • LTC2450
  • LTC2450

LTC2450

PRODUCTION

Easy-to-Use, Ultra-Tiny 16-Bit ΔΣ ADC

Analog Devices LTC2450 Product Info

10 February 2026 5

Features

  • GND to VCC Single-Ended Input Range
  • 0.02LSB RMS Noise
  • 2LSB INL, No Missing Codes
  • 2LSB Offset Error
  • 4LSB Full-Scale Error
  • Single Conversion Settling Time for Multiplexed Applications
  • Single Cycle Operation with Auto Shutdown
  • 350µA Supply Current
  • 50nA Sleep Current
  • 30 Conversions Per Second
  • Internal Oscillator—No External Components Required
  • Single Supply, 2.7V to 5.5V Operation
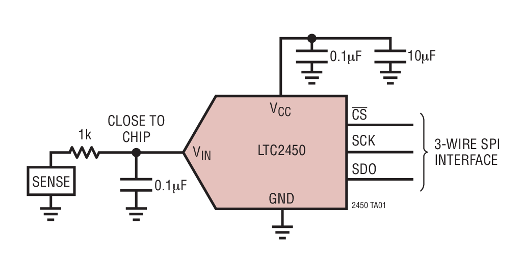
  • SPI Interface
  • Ultra-Tiny 2mm × 2mm DFN Package

Part details & applications

The LTC2450 is an ultra-tiny 16-bit analog-to-digital converter. The LTC2450 uses a single 2.7V to 5.5V supply, accepts a single-ended analog input voltage, and communicates through an SPI interface. It includes an integrated oscillator that does not require any external components. It uses a delta-sigma modulator as a converter core and provides single-cycle settling time for multiplexed applications. The converter is available in a 6-pin, 2mm × 2mm DFN package. The internal oscillator does not require any external components. The LTC2450 includes a proprietary input sampling scheme that reduces the average input sampling current several orders of magnitude.

The LTC2450 is capable of up to 30 conversions per second and, due to the very large oversampling ratio, has extremely relaxed antialiasing requirements. The LTC2450 includes continuous internal offset and full-scale calibration algorithms which are transparent to the user, ensuring accuracy over time and over the operating temperature range. The converter uses its power supply voltage as the reference voltage and the single-ended, rail-to-rail input voltage range extends from GND to VCC.

Following a conversion, the LTC2450 can automatically enter a sleep mode and reduce its power to less than 200nA. If the user samples the ADC once a second, the LTC2450 consumes an average of less than 50µW from a 2.7V supply.

Applications

  • System Monitoring
  • Environmental Monitoring
  • Direct Temperature Measurements
  • Instrumentation
  • Industrial Process Control
  • Data Acquisition
  • Embedded ADC Upgrades

Subscribe to Welllinkchips !
Your Name
* Email
Submit a request