0
LTC1922-1
  • LTC1922-1
  • LTC1922-1
  • LTC1922-1

LTC1922-1

PRODUCTION

Synchronous Phase Modulated Full-Bridge Controller

Analog Devices LTC1922-1 Product Info

10 February 2026 9

Features

  • Adaptive DirectSense Zero Voltage Switching
  • Integrated Synchronous Rectification Control for Highest Efficiency
  • Output Power Levels from 50W to Kilowatts
  • Very Low Start-Up and Quiescent Currents
  • Compatible with Voltage Mode and Current Mode Topologies
  • Programmable Slope Compensation
  • Undervoltage Lockout Circuitry with 4.2V Hysteresis and Integrated 10.3V Shunt Regulator
  • Fixed Frequency Operation to 1MHz
  • 50mA Outputs for Bridge Drive and Secondary Side Synchronous Rectifiers
  • Soft-Start, Cycle-by-Cycle Current Limiting and Hiccup Mode Short-Circuit Protection
  • 5V, 15mA Low Dropout Regulator
  • 20-Pin PDIP and SSOP Packages

Part details & applications

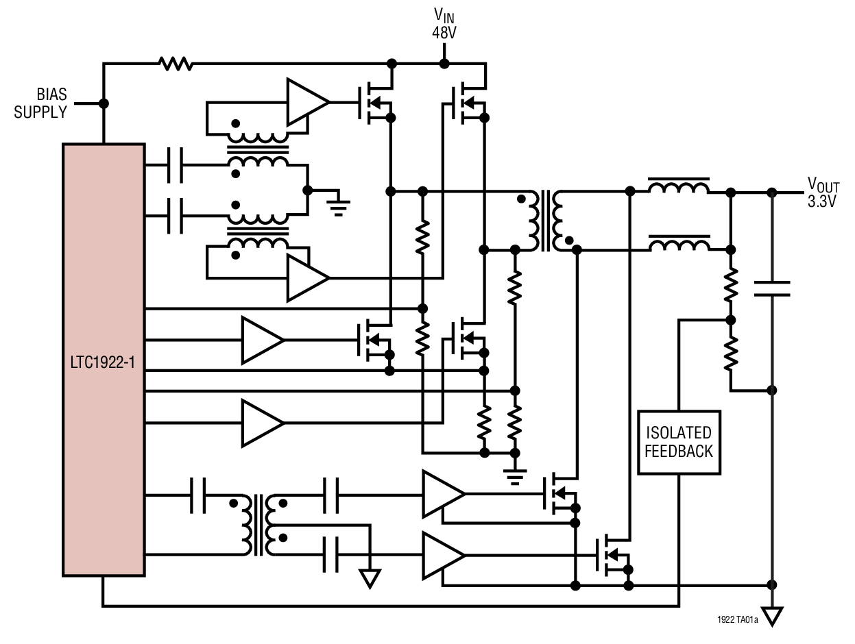
The LTC1922-1 phase shift PWM controller provides all of the control and protection functions necessary to implement a high performance, zero voltage switched, phase shift, full-bridge power converter with synchronous rectification. The part is ideal for developing isolated, low voltage, high current outputs from a high voltage input source. The LTC1922-1 combines the benefits of the full-bridge topology with fixed frequency, zero voltage switching operation (ZVS). Adaptive ZVS circuity controls the turn-on signals for each MOSFET independent of internal and external component tolerances for optimal performance.

The LTC1922-1 also provides secondary side synchronous rectifier control. The device uses peak current mode control with programmable slope comp and leading edge blanking.

The LTC1922-1 features extremely low operating and start-up currents to simplify off-line start-up and bias circuitry. The LTC1922-1 also includes a full range of protection features and is available in 20-pin through hole (N) and surface mount (G) packages.

Applications

  • Telecommunications, Infrastructure Power Systems
  • Distributed Power Architectures
  • Server Power Supplies
  • High Density Power Modules

Subscribe to Welllinkchips !
Your Name
* Email
Submit a request