0
HMC936A
  • HMC936A

HMC936A

RECOMMENDED FOR NEW DESIGNS

GaAS MMIC 6 Bit Digital Phase Shifters, 1.2 - 1.4 GHz

Analog Devices HMC936A Product Info

10 February 2026 15

Features

  • Low RMS phase error: 1.2°
  • Low insertion loss: 5 dB
  • High linearity: +45 dBm
  • Positive control logic
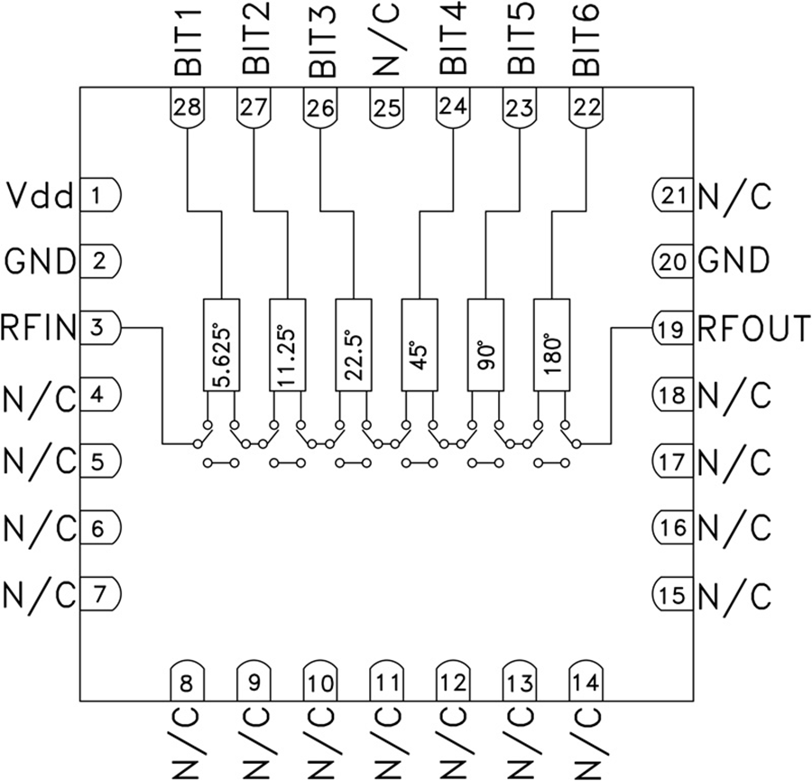
  • 360° coverage, LSB = 5.625°
  • 28 lead 6x6 mm SMT package: 36mm2

Part details & applications

The HMC936ALP6E is a 6-bit digital phase shifter which is rated from 1.2 to 1.4 GHz, providing 360 degrees of phase coverage, with a LSB of 5.625 degrees. The HMC936ALP6E features very low RMS phase error of 1.2 degrees and extremely low inser-tion loss variation of ±0.5 dB across all phase states. This high accuracy phase shifter is controlled with positive control logic of 0/+5V and requires no negative supply voltage. The HMC936ALP6E is housed in a compact 6x6 mm plastic leadless SMT package and is internally matched to 50 Ohms with no external components.

Applications

  • EW receivers 
  • Weather and military radar
  • Satellite communications
  • Beamforming modules
  • Phase cancellation

Subscribe to Welllinkchips !
Your Name
* Email
Submit a request