0
HMC-C055
  • HMC-C055

HMC-C055

LAST TIME BUY

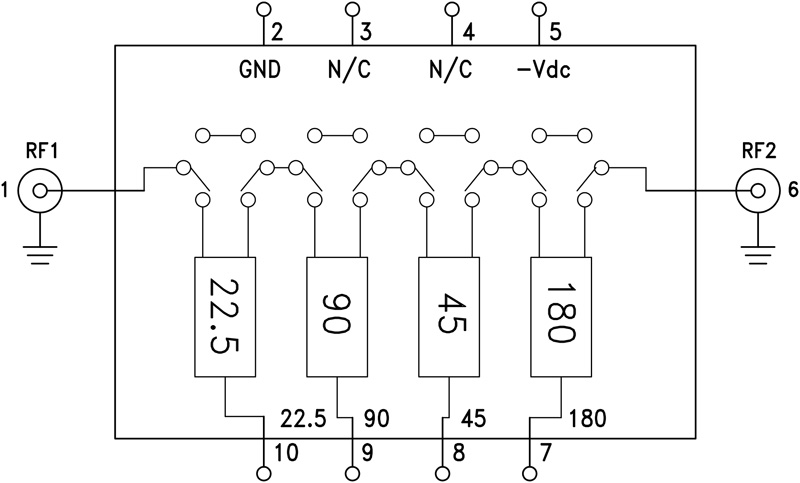
22.5° 4-Bit Digital Phase Shifter Module, 8 - 12 GHz

Analog Devices HMC-C055 Product Info

10 February 2026 9

Features

  • Low RMS Phase Error: 6°
  • Low Insertion Loss: 7 dB
  • 360° Coverage, LSB = 22.5°
  • Excellent Flatness
  • Hermetically Sealed Module
  • Field Replaceable SMA Female Connectors

Part details & applications

The HMC-C055 is a 4-bit digital phase shifter which is rated from 8 to 12 GHz, providing 0 to 360 degrees of monotonic phase coverage, with a LSB of 22.5 degrees. The HMC-C055 features a very low RMS phase error of 6 degrees and a low insertion loss variation of 1 dB across all phase states. This high accuracy phase shifter requires a single DC voltage of -5V and is internally matched to 50 Ohms. The package is a hermetically sealed module that can utilize field replaceable SMA connectors or be used as a drop-in module.

APPLICATIONS

  • EW Receivers
  • Weather & Military Radar
  • Satellite Communications
  • Beamforming Modules

Subscribe to Welllinkchips !
Your Name
* Email
Submit a request