0
LTC1608
  • LTC1608
  • LTC1608
  • LTC1608

LTC1608

PRODUCTION

High Speed, 16-Bit, 500ksps Sampling A/D Converter with Shutdown

Analog Devices LTC1608 Product Info

10 February 2026 7

Features

  • A Complete, 500ksps 16-Bit ADC
  • 90dB S/(N+D) and –100dB THD (Typ)
  • Power Dissipation: 270mW (Typ)
  • No Pipeline Delay
  • No Missing Codes Over Temperature
  • Nap (7mW) and Sleep (10µW) Shutdown Modes
  • Operates with Internal 15ppm/°C Reference or External Reference
  • True Differential Inputs Reject Common Mode Noise
  • 5MHz Full Power Bandwidth
  • ±2.5V Bipolar Input Range
  • 36-Pin SSOP Package
  • Pin Compatible with the LTC1604

Part details & applications

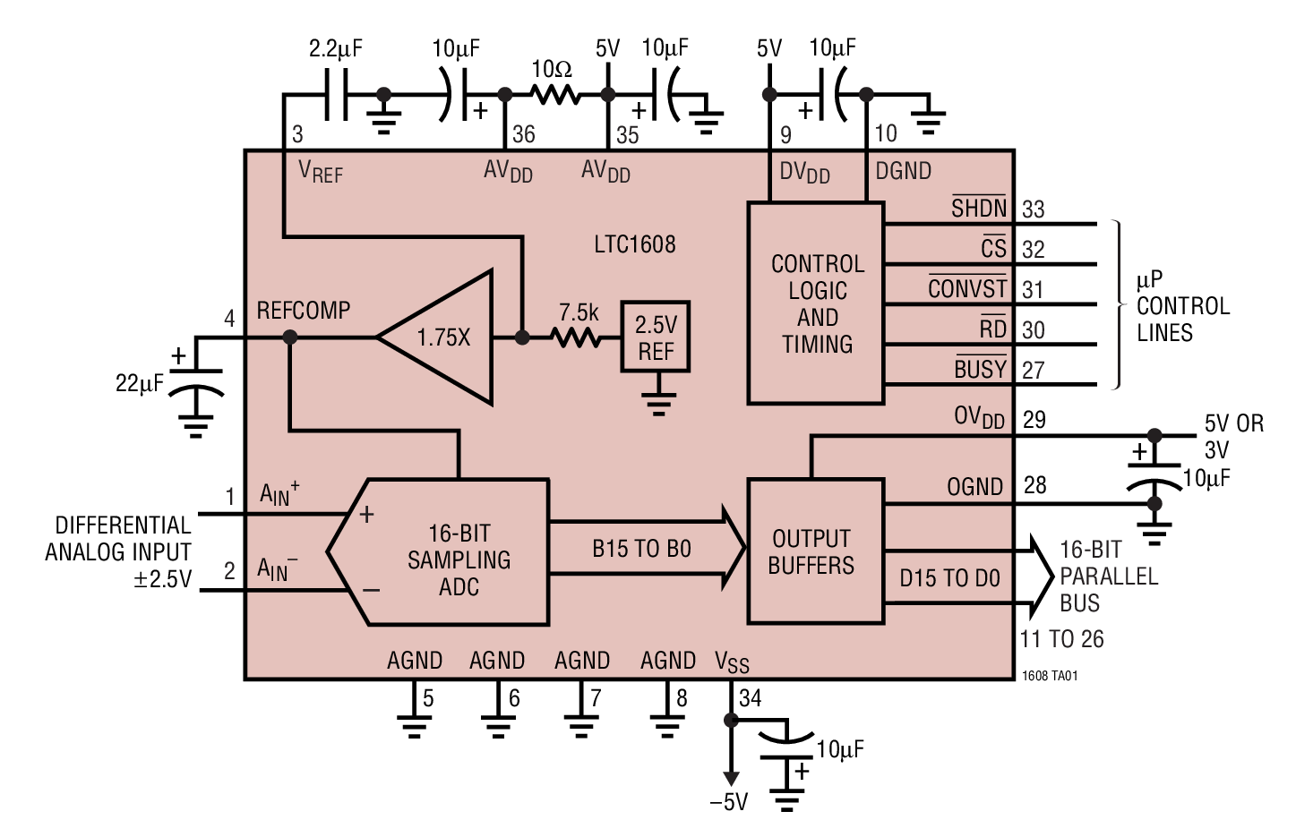
The LTC1608 is a 500ksps, 16-bit sampling A/D converter that draws only 270mW from ±5V supplies. This high performance device includes a high dynamic range sample-and-hold, a precision reference and a high speed parallel output. Two digitally selectable power shutdown modes provide power savings for low power systems.

The LTC1608’s full-scale input range is ±2.5V. Outstanding AC performance includes 90dB S/(N+D) and –100dB THD at a sample rate of 500ksps.

The unique differential input sample-and-hold can acquire single-ended or differential input signals up to its 15MHz bandwidth. The 68dB common mode rejection allows users to eliminate ground loops and common mode noise by measuring signals differentially from the source.

The ADC has µP compatible,16-bit parallel output port. There is no pipeline delay in conversion results. A separate convert start input and a data ready signal (BUSY) ease connections to FlFOs, DSPs and microprocessors.

Applications

  • Telecommunications
  • Digital Signal Processing
  • Multiplexed Data Acquisition Systems
  • High Speed Data Acquisition
  • Spectrum Analysis
  • Imaging Systems

Subscribe to Welllinkchips !
Your Name
* Email
Submit a request