0
ADG739
  • ADG739
  • ADG739

ADG739

PRODUCTION

CMOS, Low-Voltage, 3-Wire Serially-Controlled, Matrix Switch

Analog Devices ADG739 Product Info

10 February 2026 9

Features

  • 3-wire serial interface
  • 2.7 V to 5.5 V single supply
  • 2.5 Ω on resistance
  • 0.75 Ω on-resistance flatness
  • 100 pA leakage currents
  • Dual 4-to-1 multiplexer ADG739
  • Power-on reset
  • TTL/CMOS-compatible
  • Qualified for automotive applications

Part details & applications

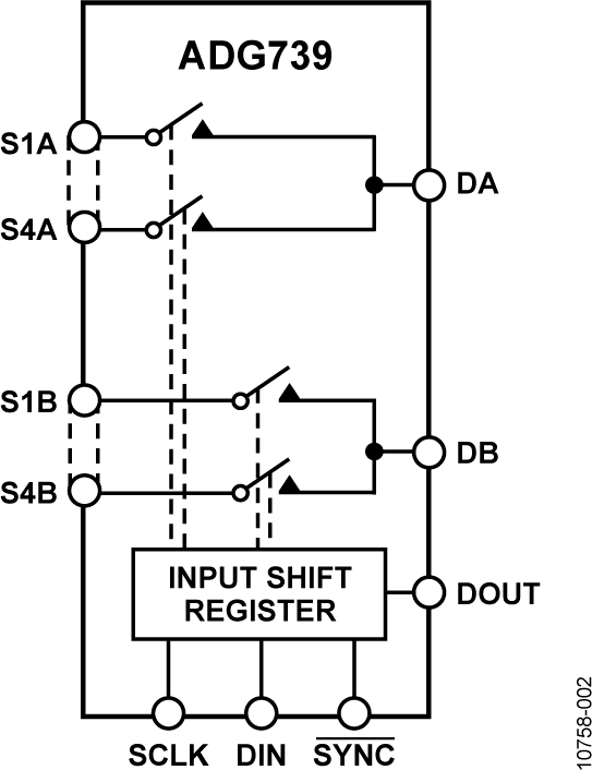
The ADG739 is a CMOS analog matrix switch with a serially-controlled 3-wire interface. The ADG739 is a dual 4-channel matrix switch. On resistance is closely matched between switches and very flat over the full signal range.

The ADG739 utilize a 3-wire serial interface that is compatible with SPI, QSPI, MICROWIRE®, and some DSP interface standards. The output of the input shift register, DOUT, enables a number of these parts to be daisy-chained. On power-up, the internal input shift register contains all zeros and all switches are in the off state.

Each switch conducts equally well in both directions when on, making these parts suitable for both multiplexing and demultiplexing applications. As each switch is turned on or off by a separate bit, these parts can also be configured as a type of switch array, where any, all, or none of the eight switches may be closed at any time. The input signal range extends to the supply rails.

All channels exhibit break-before-make switching action, preventing momentary shorting when switching channels. The ADG739 is available in 16-lead TSSOP packages.

PRODUCT HIGHLIGHTS

  1. 3-Wire Serial Interface.
  2. Single Supply Operation. The ADG739 is fully specified and guaranteed with 3 V and 5 V supply rails.
  3. Low On Resistance, 2.5 Ω typical.
  4. Any configuration of switches may be on or off at any one time.
  5. Guaranteed Break-Before-Make Switching Action.
  6. Small 16-lead TSSOP Package.

APPLICATIONS

  • Data acquisition systems
  • Communication systems
  • Relay replacement
  • Audio and video switching

Subscribe to Welllinkchips !
Your Name
* Email
Submit a request