0
ADG759
  • ADG759

ADG759

PRODUCTION

CMOS Low Voltage, 3 ohms 4-Channel Multiplexer

Analog Devices ADG759 Product Info

10 February 2026 15

Features

  • 1.8 V to 5.5 V Single Supply
  • ±2.5 V Dual Supply
  • 3 Ω ON Resistance
  • 0.75 Ω ON Resistance Flatness
  • 20-Lead 4 mm x 4 mm Chip Scale Package
  • For Functionally Equivalent Devices in 16-Lead TSSOP Package, See ADG708/ADG709
  • Single 8-to-1 Multiplexer ADG758
  • Differential 4-to-1 Multiplexer ADG759
  • 14 ns Switching Times
  • Low Power Consumption
  • TTL-/CMOS-Compatible Inputs
  • 100 pA Leakage Currents

Part details & applications

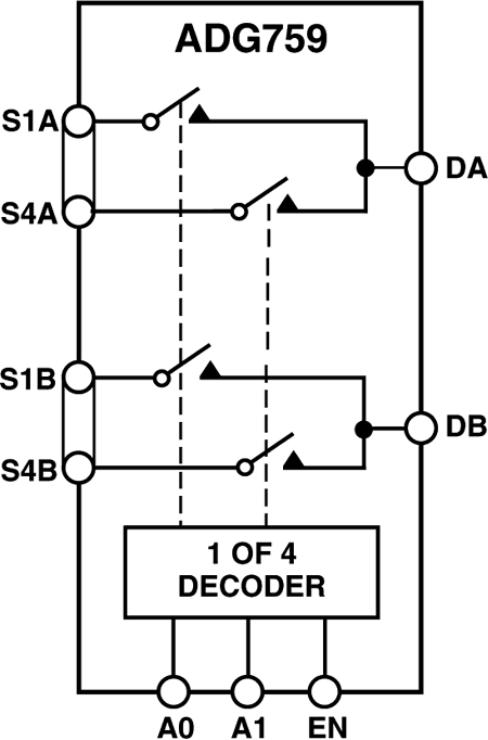
The ADG759 is a low voltage, CMOS analog multiplexer comprising four differential channels. The ADG759 switches one of four differential inputs to a common differential output as determined by the 2-bit binary address lines A0 and A1. An EN input is used to enable or disable the device. When disabled, all channels are switched OFF.

Low power consumption and operating supply range of 1.8 V to 5.5 V make the ADG759 ideal for battery-powered, portable instruments. All channels exhibit break-before-make switching action preventing momentary shorting when switching channels.

The ADG759 is available in a 16-lead TSSOP package.

APPLICATIONS

  • Data Acquisition Systems
  • Communication Systems
  • Relay Replacement
  • Audio and Video Switching
  • Battery-Powered Systems

PRODUCT HIGHLIGHTS

  1. Small 20-Lead 4 mm × 4 mm Chip Scale Packages (CSP).
  2. Single/Dual Supply Operation. The ADG758 and ADG759 are fully specified and guaranteed with 3 V and 5 V single-supply and ±2.5 V dual-supply rails.
  3. Low RON (3 Ω Typical).
  4. Low Power Consumption (<0.01 µW).
  5. Guaranteed Break-Before-Make Switching Action.

Subscribe to Welllinkchips !
Your Name
* Email
Submit a request