0
LTC1546
  • LTC1546
  • LTC1546

LTC1546

PRODUCTION

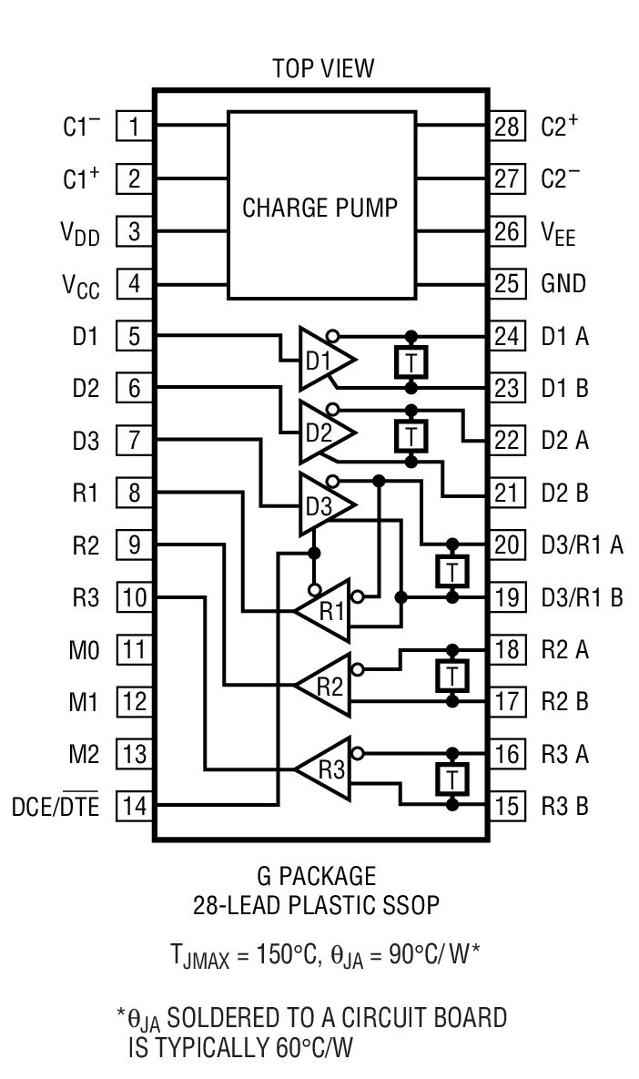
Software-Selectable Multiprotocol Transceiver with Termination

Analog Devices LTC1546 Product Info

10 February 2026 7

Features

  • Software-Selectable Transceiver Supports: RS232, RS449, EIA530, EIA530-A, V.35, V.36, X.21
  • TUV Telecom Services Inc. Certified NET1, NET2 and TBR2 Compliant
  • On-Chip Cable Termination
  • Pin Compatible with LTC1543
  • Complete DTE or DCE Port with LTC1544
  • Operates from Single 5V Supply
  • Small Footprint

Part details & applications

The LTC1546 is a 3-driver/3-receiver multiprotocol transceiver with on-chip cable termination. When combined with the LTC1544, this chip set forms a complete software-selectable DTE or DCE interface port that supports the RS232, RS449, EIA530, EIA530-A, V.35, V.36 and X.21 protocols. All necessary cable termination is provided inside the LTC1546. In most applications, the LTC1546 replaces both an LTC1543 and an LTC1344A without any changes to the PC board.

The LTC1546 runs from a single 5V supply using an internal charge pump that requires only five space-saving surface mounted capacitors. The LTC1546 is available in a 28-lead SSOP surface mount package.

Applications

  • Data Networking
  • CSU and DSU
  • Data Routers

Subscribe to Welllinkchips !
Your Name
* Email
Submit a request