0
LTC1412
  • LTC1412
  • LTC1412
  • LTC1412

LTC1412

PRODUCTION

12-Bit, 3Msps, Sampling A/D Converter

Analog Devices LTC1412 Product Info

10 February 2026 9

Features

  • Sample Rate: 3Msps
  • 72dB S/(N + D) and 82dB SFDR at Nyquist
  • ±0.35LSB INL and ±0.25LSB DNL (Typ)
  • Power Dissipation: 150mW
  • External or Internal Reference Operation
  • True Differential Inputs Reject Common Mode Noise
  • 40MHz Full Power Bandwidth Sampling
  • ±2.5V Bipolar Input Range
  • No Pipeline Delay
  • 28-Pin SSOP Package

Part details & applications

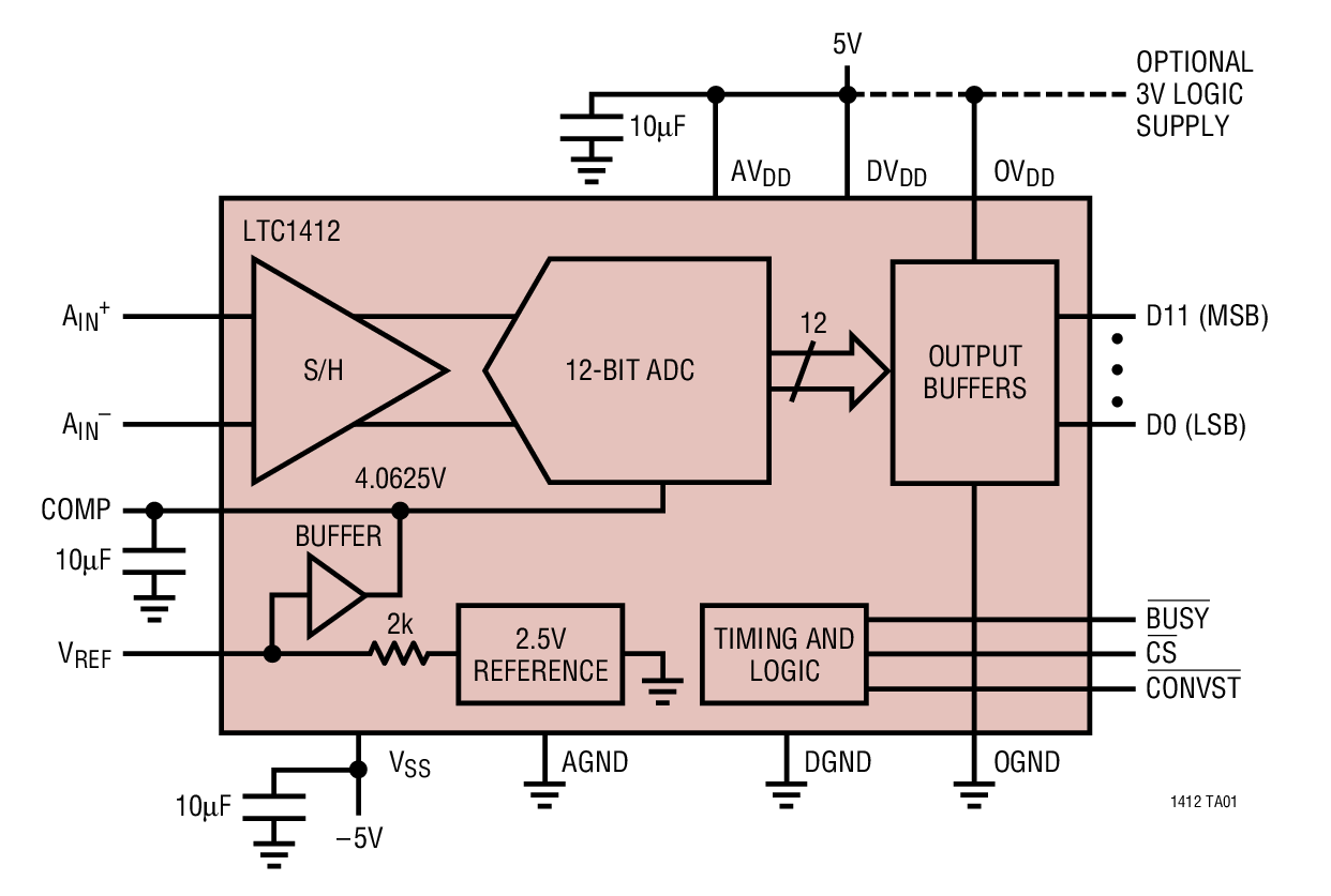
The LTC1412 is a 12-bit, 3Msps, sampling A/D converter. This high performance device includes a high dynamic range sample-and-hold and a precision reference. Operating from ±5V supplies it draws only 150mW.

The ±2.5V input range is optimized for low noise and low distortion. Most high performance op amps also perform best over this range, allowing direct coupling to the analog inputs and eliminating the need for special translation circuitry. Outstanding AC performance includes 72dB S/(N + D) and 82dB SFDR at the Nyquist input frequency of 1.5MHz.

The unique differential input sample-and-hold can acquire single-ended or differential input signals up to its 40MHz bandwidth. The 60dB common mode rejection allows users to eliminate ground loops and common mode noise by measuring signals differentially from the source.

The ADC has a high speed 12-bit parallel output port. There is no pipeline delay in the conversion results. A separate convert start input and converter status signal (BUSY) ease connections to FIFOs, DSPs and microprocessors. A digital output driver power supply pin allows direct connection to 3V logic.

Applications

  • Telecommunications
  • Digital Signal Processing
  • Mulitplexed Data Acquisition Systems
  • High Speed Data Acquisition
  • Spectrum Analysis
  • Imaging Systems

Subscribe to Welllinkchips !
Your Name
* Email
Submit a request