0
LTC1485
  • LTC1485
  • LTC1485

LTC1485

PRODUCTION

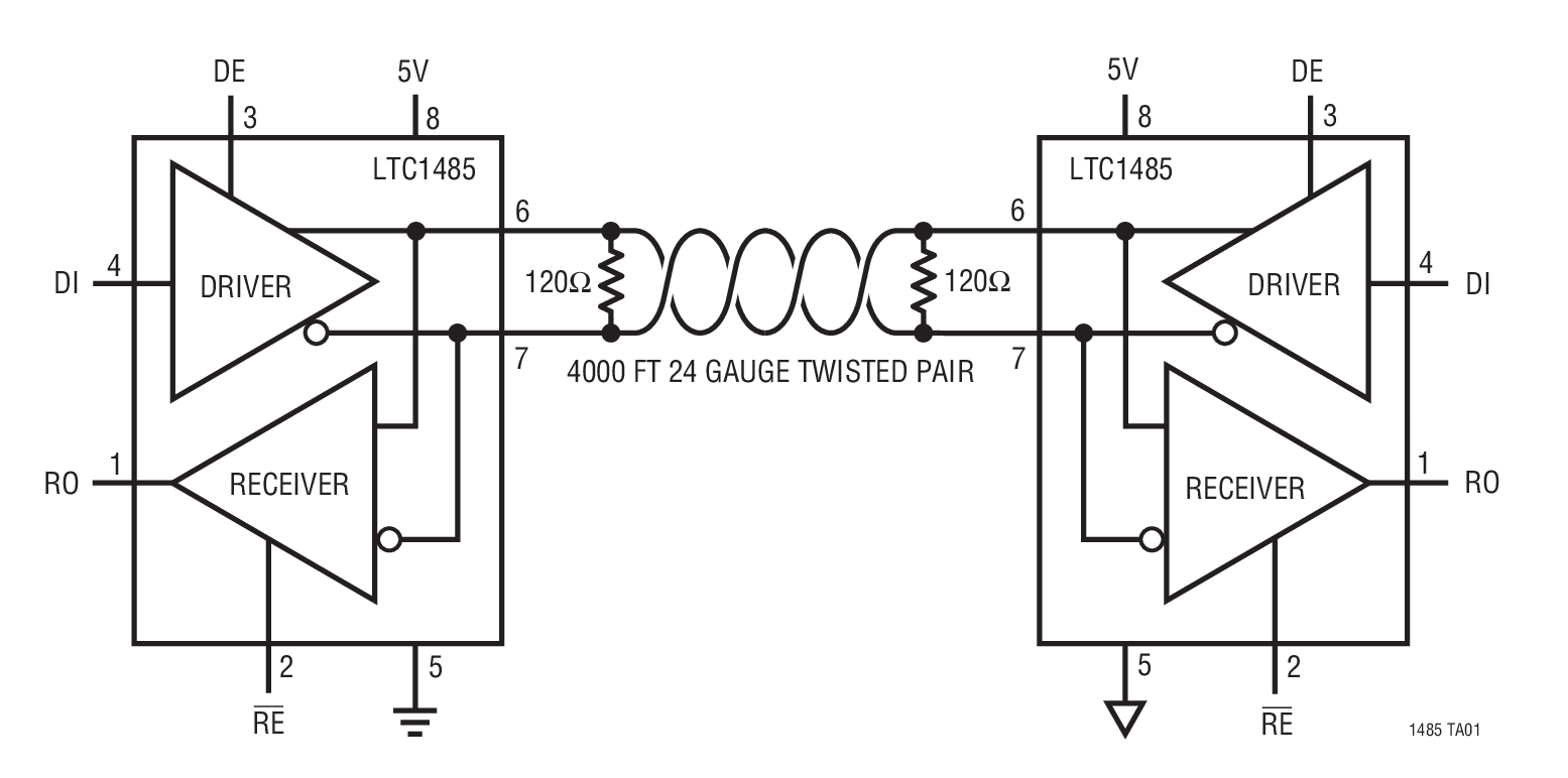
Differential Bus Transceiver

Analog Devices LTC1485 Product Info

10 February 2026 8

Features

  • ESD Protection Over ±10kV
  • Low Power: ICC = 1.8mA Typ
  • 28ns Typical Driver Propagation Delays with 4ns Skew
  • Designed for RS485 or RS422 Applications
  • Single 5V Supply
  • −7V to 12V Bus Common-Mode Range Permits
    ±7V Ground Difference Between Devices on the Bus
  • Thermal Shutdown Protection
  • Power-Up/Down Glitch-Free Driver Outputs
  • Driver Maintains High Impedance in Three-State or with the Power Off
  • Combined Impedance of a Driver Output and Receiver Allows up to 32 Transceivers on the Bus
  • 60mV Typical Input Hysteresis
  • Pin-Compatible with the SN75176A, DS75176A, and SN75LBC176

Part details & applications

The LTC1485 is a low power differential bus/line transceiver designed for multipoint data transmission standard RS485 applications with extended common-mode range (12V to –7V). It also meets the requirements of RS422.

The CMOS with Schottky design offers significant power savings over its bipolar counterpart without sacrificing ruggedness against overload or ESD damage.

The driver and receiver feature three-state outputs, with the driver outputs maintaining high impedance over the entire common-mode range. Excessive power dissipation caused by bus contention or faults is prevented by a thermal shutdown circuit which forces the driver outputs into a high impedance state. I/O pins are protected against multiple ESD strikes of over ±10kV.

The receiver has a fail-safe feature which guarantees a high output state when the inputs are left open.

Both AC and DC specifications are guaranteed from –40°C to 85°C and 4.75V to 5.25V supply voltage range.

Applications

  • Low Power RS485/RS422 Transceiver
  • Level Translator

Subscribe to Welllinkchips !
Your Name
* Email
Submit a request