0
MAX9986A
  • MAX9986A

MAX9986A

PRODUCTION

SiGe High-Linearity, 815MHz to 1000MHz Downconversion Mixer with LO Buffer/Switch Fully Integrated Downconverter Delivers 8.2dB of Gain, +25dBm of IIP3, 10dB of Noise Figure, and 69dBc of 2LO - 2RF Rejection while Replacing a Mixer, Two Amps, Two Baluns,

Analog Devices MAX9986A Product Info

10 February 2026 8

Features

  • 815MHz to 1000MHz RF Frequency Range
  • 960MHz to 1180MHz LO Frequency Range (MAX9986A/MAX9986)
  • 570MHz to 850MHz LO Frequency Range (MAX9984)
  • 50MHz to 250MHz IF Frequency Range
  • 8.2dB Conversion Gain
  • +25dBm Input IIP3
  • +14.8dBm Input 1dB Compression Point
  • 10dB Noise Figure
  • 69dBc 2LO-2RF Spurious Rejection at PRF = -10dBm
  • Integrated LO Buffer
  • Integrated RF and LO Baluns for Single-Ended Inputs
  • Low -3dBm to +3dBm LO Drive
  • Built-In SPDT LO Switch with 49dB LO1 to LO2 Isolation and 50ns Switching Time
  • Pin Compatible with MAX9994/MAX9996 1700MHz to 3000MHz Mixers
  • Functionally Compatible with MAX9993
  • External Current-Setting Resistors Provide Option for Operating Mixer in Reduced Power/Reduced Performance Mode
  • Lead-Free Package Available
  • Part details & applications

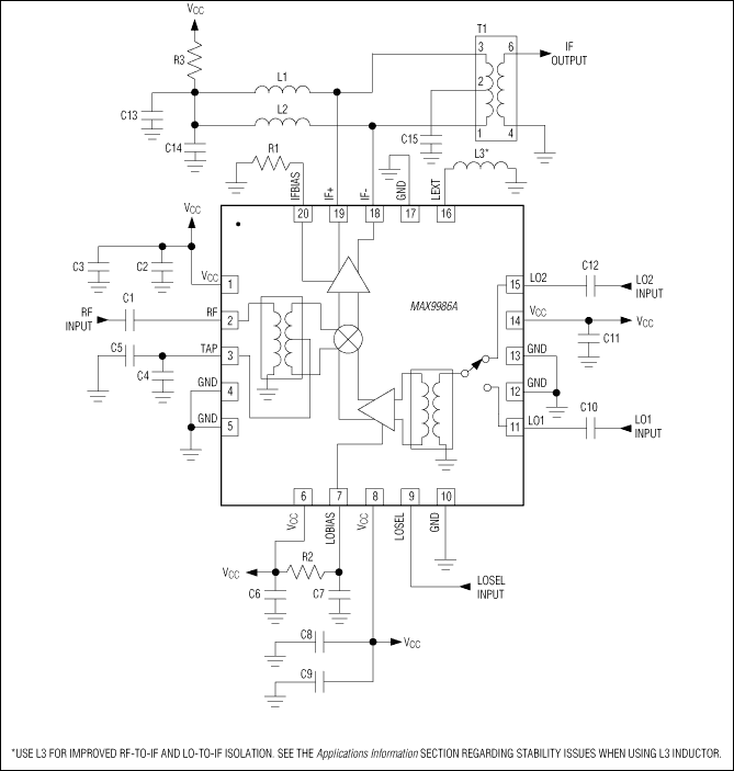
    The MAX9986A high-linearity downconversion mixer provides 8.2dB gain, +25dBm IIP3, and 10dB NF for 815MHz to 1000MHz base-station receiver applications. With a 960MHz to 1180MHz LO frequency range, this particular mixer is ideal for high-side LO injection receiver architectures. Low-side LO injection is supported by the MAX9984, which is pin-for-pin and functionally compatible with the MAX9986A.

    In addition to offering excellent linearity and noise performance, the MAX9986A also yields a high level of component integration. This device includes a double-balanced passive mixer core, an IF amplifier, a dual-input LO selectable switch, and an LO buffer. On-chip baluns are also integrated to allow for single-ended RF and LO inputs. The MAX9986A requires a nominal LO drive of 0dBm, and supply current is guaranteed to be below 250mA.

    The MAX9986A is a derivative version of the MAX9986 with improved large-signal blocking performance. The MAX9984/MAX9986/MAX9986A are pin compatible with the MAX9994/MAX9996 1700MHz to 3000MHz mixers, making this entire family of downconverters ideal for applications where a common PC board layout is used for both frequency bands. The MAX9986A is also functionally compatible with the MAX9993.

    The MAX9986A is available in a compact, 20-pin, thin QFN package (5mm x 5mm) with an exposed paddle. Electrical performance is guaranteed over the extended -40°C to +85°C temperature range.

    Applications

    • 850MHz WCDMA Base Stations
    • cdmaOne™ and cdma2000® Base Stations
    • Digital and Spread-Spectrum Communication Systems
    • Fixed Broadband Wireless Access
    • GSM 850/GSM 900 2G and 2.5G EDGE Base Stations
    • iDEN® Base Stations
    • Microwave Links
    • Military Systems
    • Predistortion Receivers
    • Private Mobile Radios
    • Wireless Local Loops

    Subscribe to Welllinkchips !
    Your Name
    * Email
    Submit a request