0
MAX9995
  • MAX9995

MAX9995

LAST TIME BUY

Dual, SiGe, High-Linearity, 1700MHz to 2700MHz Downconversion Mixer with LO Buffer/Switch Lowest Noise, Highest Linearity, Dual, 1700MHz to 2700MHz SiGe Mixer for 2.5G and 3G Base Stations

Analog Devices MAX9995 Product Info

10 February 2026 10

Features

  • 1700MHz to 2700MHz RF Frequency Range
  • 1400MHz to 2600MHz LO Frequency Range
  • 40MHz to 350MHz IF Frequency Range
  • 6.1dB Conversion Gain
  • +25.6dBm Input IP3
  • 9.8dB Noise Figure
  • 66dBc 2RF - 2LO Spurious Rejection at PRF = -10dBm
  • Dual Channels Ideal for Diversity Receiver Applications
  • Integrated LO Buffer
  • Integrated RF and LO Baluns for Single-Ended Inputs
  • Low -3dBm to +3dBm LO Drive
  • Built-In SPDT LO Switch with 50dB LO1 - LO2 Isolation and 50ns Switching Time
  • 44dB Channel-to-Channel Isolation

Part details & applications

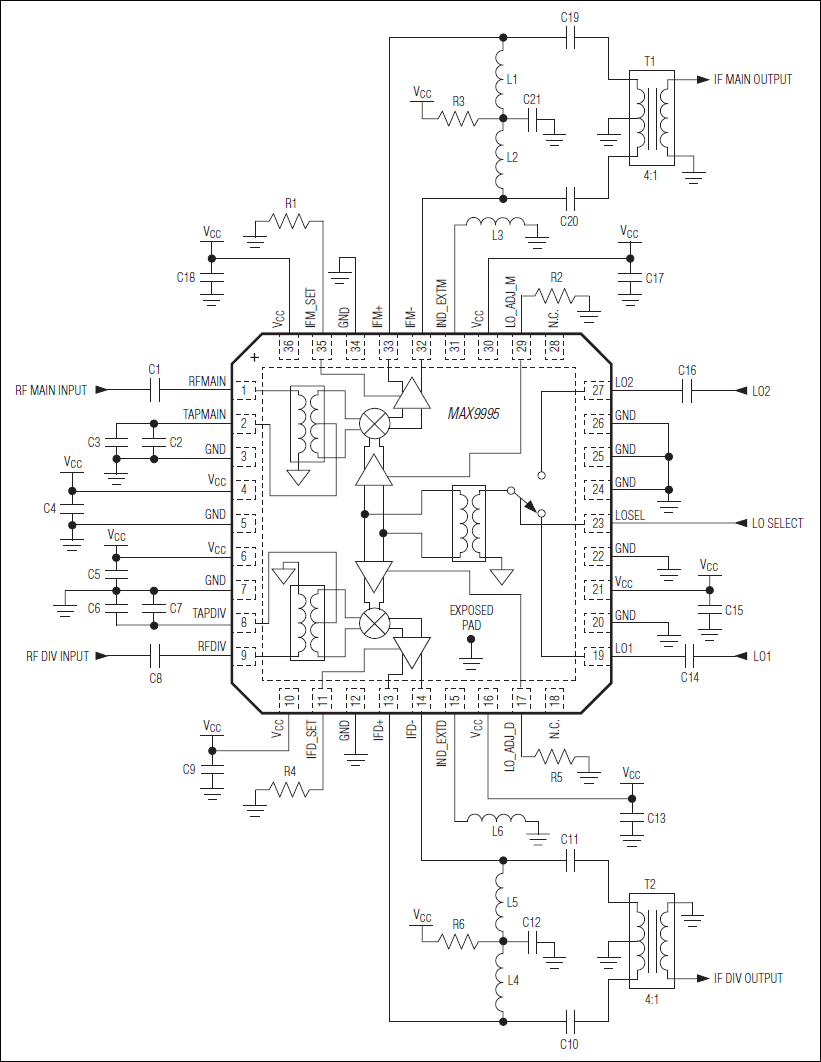
The MAX9995 dual, high-linearity, downconversion mixer provides 6.1dB gain, +25.6dBm IIP3, and 9.8dB NF for WCDMA, TD-SCDMA, LTE, TD-LTE, and GSM/EDGE base-station applications.
This device integrates baluns in the RF and LO ports, a dual-input LO selectable switch, an LO buffer, two double-balanced mixers, and a pair of differential IF output amplifiers. The MAX9995 requires a typical LO drive of 0dBm and supply current is guaranteed to be below 380mA.
These devices are available in a compact 36-pin TQFN package (6mm × 6mm) with an exposed pad. Electrical performance is guaranteed over the extended temperature range, from TC = -40°C to +100°C.

Applications

  • Fixed Broadband Wireless Access
  • GSM/EDGE Base Stations
  • LTE and TD-LTE Base Stations
  • Military Systems
  • PHS/PAS Base Stations
  • Private Mobile Radios (PMRs)
  • WCDMA, TD-SCDMA, and cdma2000® 3G Base Stations
  • Wireless Local Loop (WLL)

Subscribe to Welllinkchips !
Your Name
* Email
Submit a request