0
LTC1335
  • LTC1335
  • LTC1335
  • LTC1335
  • LTC1335

LTC1335

PRODUCTION

RS232/EIA562/RS485 Transceivers

Analog Devices LTC1335 Product Info

10 February 2026 4

Features

  • LTC1321: 2-EIA562/RS232 Transceivers/2-RS485 Transceivers
  • LTC1322: 4-EIA562/RS232 Transceivers/2-RS485 Transceivers
  • LTC1335: 4-EIA562 Transceivers/2-RS485 Transceivers with OE
  • LTC1321/LTC1322 Have the Same Pinout as SP301/SP302
  • LTC1335 Features Receiver Three-State Outputs
  • Low Supply Current: 1mA Typical
  • 15µA Supply Current in Shutdown
  • 120kBaud in EIA/TIA-562 or RS232 Mode
  • 10MBaud in RS485/RS422 Mode
  • Self-Testing Capability in Loopback Mode
  • Power-Up/Down Glitch-Free Outputs
  • Driver Maintains High Impedance in Three-State, Shutdown or With Power Off
  • Thermal Shutdown Protection
  • I/O Lines Can Withstand ±25V
  • Withstands Repeated 10kV ESD Pulses

Part details & applications

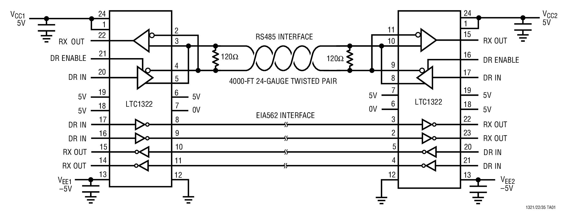
The LTC1321/LTC1322/LTC1335 are low power CMOS bidirectional transceivers, each featuring two reconfigurable interface ports. Each can be configured as two RS485 differential ports, as two single-ended ports, or as one RS485 differential port and one single-ended port. The LTC1321/LTC1322 can provide RS232 or EIA562 compatible single-ended outputs; the LTC1335 provides EIA562 compatible outputs and additionally includes an output enable pin, allowing the receiver logic level outputs to be three-stated.

The RS232/EIA562 transceivers operate to 120kbaud and are in full compliance with EIA/TIA-562 specification. The RS485 transceivers operate to 10Mbaud and are in full compliance with RS485 and RS422 specifications. All interface drivers feature short-circuit and thermal shutdown protection. An enable pin allows RS485 driver outputs to be forced into high impedance which is maintained even when the outputs are forced beyond supply rails or power is off. Both driver outputs and receiver inputs feature ±10kV ESD protection. A loopback mode connects the driver outputs back to the receiver inputs for diagnostic self-test.

The LTC1321/LTC1322 can support RS232 voltage levels when 6.5V ≤ VDD ≤ 10V and – 6.5V ≥ VEE ≥ –10V. The LTC1335 supports receiver output enable but not RS232 levels. A shutdown mode reduces the ICC supply current to 15µA.

Applications

  • Low Power RS485/RS422/EIA562/RS232 Interface
  • Cable Repeater
  • Level Translator

Subscribe to Welllinkchips !
Your Name
* Email
Submit a request