0
ADP171
  • ADP171
  • ADP171

ADP171

PRODUCTION

300 mA, Low Quiescent Current, adjustable output, CMOS Linear Regulator

Analog Devices ADP171 Product Info

10 February 2026 5

Features

  • Maximum output current: 300 mA
  • Input voltage range: 1.6 V to 3.6 V
  • Low quiescent current
  • IGND = 23 μA with 0 mA load
  • IGND = 170 μA with 300 mA load
  • Low shutdown current: <1 μA
  • Low dropout voltage: 66 mV at 300 mA load
  • Up to 31 fixed-output voltage options available from 0.8 V to 3.0 V
  • Output voltage accuracy: ±1%
  • Adjustable-output voltage options
    0.8 V to 3.0 V (ADP171)
  • Accuracy over line, load, and temperature: ±3%
  • Stable with small 1 μF ceramic output capacitor
  • PSRR performance of 70 dB at 10 kHz and 73 dB at 1 kHz
  • See data sheet for additional features

The ADP170 / ADP171 / ADP172 are low voltage input, low quiescent current, low-dropout (LDO) linear regulators that operate from 1.6 V to 3.6 V and provide up to 300 mA of output current. The low 55 mV dropout voltage at 300 mA load improves efficiency and allows operation over a wide input voltage range. The low 23 μA of quiescent current at no load makes the ADP170 / ADP171 / ADP172 ideal for battery-operated portable equipment.

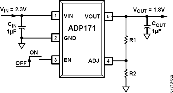
TheADP170 is capable of 31 fixed-output voltage options, ranging from 0.8 V to 3.0 V. ADP171 is an adjustable version, which allows output voltages that range from 0.8 V to 3.0 V via an external divider. The ADP170 / ADP171 are optimized for stable operation with small 1 μF ceramic outpu

Part details & applications

The ADP170 / ADP171 / ADP172 are low voltage input, low quiescent current, low-dropout (LDO) linear regulators that operate from 1.6 V to 3.6 V and provide up to 300 mA of output current. The low 55 mV dropout voltage at 300 mA load improves efficiency and allows operation over a wide input voltage range. The low 23 μA of quiescent current at no load makes the ADP170 / ADP171 / ADP172 ideal for battery-operated portable equipment.

TheADP170 is capable of 31 fixed-output voltage options, ranging from 0.8 V to 3.0 V. ADP171 is an adjustable version, which allows output voltages that range from 0.8 V to 3.0 V via an external divider. The ADP170 / ADP171 are optimized for stable operation with small 1 μF ceramic output capacitors. Ideal for powering digital processors, the ADP170 / ADP171 exhibit good transient performance and occupy minimal board space. Compared with commodity types of LDOs, the ADP170 / ADP171 provide 20 dB to 40 dB better power supply rejection ratio (PSRR) at 100 kHz, making the ADP170 / ADP171 an ideal power source for analog-to-digital converter (ADC) mixed-signal processor systems and allowing use of smaller size bypass capacitors. In addition, low output noise performance without the need for an additional bypass capacitor further reduces printed circuit board (PCB) component count.

Short-circuit protection and thermal overload protection circuits prevent damage in adverse conditions. The ADP170 / ADP171 are available in tiny 5-lead TSOT for the smallest footprint solution to meet a variety of portable power applications.

APPLICATIONS

  • Mobile phones
  • Digital camera and audio devices
  • Portable and battery-powered equipment
  • DSP/FPGA/microprocessor supplies
  • Post dc-dc regulation