0
LT3091
  • LT3091
  • LT3091
  • LT3091
  • LT3091
  • LT3091
  • LT3091

LT3091

RECOMMENDED FOR NEW DESIGNS

–36V, 1.5A Negative Linear Regulator with Programmable Current Limit

Analog Devices LT3091 Product Info

10 February 2026 9

Features

  • Output Current: 1.5A
  • Single Resistor Sets Output Voltage
  • 50μA SET Pin Current: ±1% Initial Accuracy
  • Programmable Current Limit
  • Positive or Negative Output Current Monitor
  • Parallelable for Higher Current and Heat Spreading
  • Low Dropout Voltage: 300mV
  • Low Output Noise: 18μVRMS (10Hz to 100kHz)
  • Configurable as a 3-Terminal Floating Regulator
  • Wide Input Voltage Range: –1.5V to –36V
  • Rail-to-Rail Output Voltage Range: 0V to –32V
  • Positive/Negative Shutdown Logic or UVLO
  • Programmable Cable Drop Compensation
  • Load Regulation: 1.2mV (1mA to 1.5A)
  • Stable with 10μF Minimum Output Capacitor
  • Stable with Ceramic or Tantalum Capacitors
  • Thermally Enhanced 14-Lead 4mm × 3mm DFN, 16-Lead TSSOP, 7-Lead TO-220 and DD Packages

Part details & applications

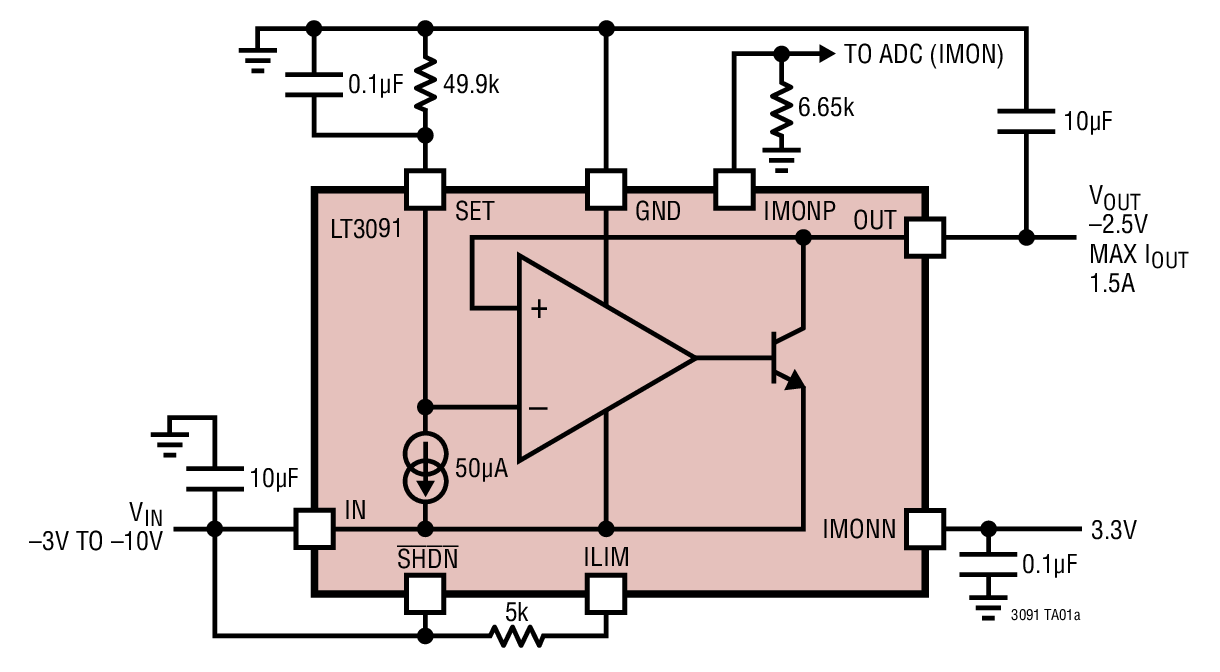
The LT3091 is a 1.5A, low dropout negative linear regulator that is easily paralleled to increase output current or spread heat on surface mounted boards. Designed with a precision current reference followed by a high performance rail-to-rail voltage buffer, this regulator finds use in applications requiring precision output, high current with no heat sink, output adjustability to zero and low dropout voltage. The device can also be configured as a 3-terminal floating regulator.

The LT3091 features fast transient response, high PSRR and output noise as low as 18μVRMS. The LT3091 generates a wide output voltage range (0V to –32V) while maintaining unity gain operation. This yields virtually constant bandwidth, load regulation, PSRR and noise, independent of the programmed output voltage.

The LT3091 supplies 1.5A at a typical dropout voltage of 300mV. Operating quiescent current is nominally 1.2mA and drops to << 1μA in shutdown. A single resistor adjusts the LT3091’s precision programmable current limit. The device’s positive or negative current monitor either sources a current (0.25mA/A) or sinks a current (0.5mA/A) proportional to output current. Built-in protection includes reverse output protection, internal current limit with foldback and thermal shutdown with hysteresis.

Applications

  • Post Regulator for Switching Supplies
  • Low Noise Instrumentation and RF Supplies
  • Rugged Industrial Supplies
  • Precision Power Supplies

Subscribe to Welllinkchips !
Your Name
* Email
Submit a request