0
LT1785
  • LT1785
  • LT1785
  • LT1785
  • LT1785

LT1785

PRODUCTION

60V Fault Protected RS485/RS422 Transceivers

Analog Devices LT1785 Product Info

10 February 2026 9

Features

  • Protected from Overvoltage Line Faults to ±60V
  • Pin Compatible with LTC485 and LTC491
  • High Input Impedance Supports Up to 128 Nodes
  • No Damage or Latchup to ESD
    • IEC-1000-4-2 Level 4: ±15kV Air Discharge
    • IEC-1000-4-2 Level 2: ±4kV Contact Discharge
  • Controlled Slew Rates for EMI Emissions Control
  • Guaranteed High Receiver Output State for Floating, Shorted or Inactive Inputs (LT1785A/LT1791A)
  • Outputs Assume a High Impedance When Off or Powered Down
  • Drives Low Cost, Low Impedance Cables
  • Short-Circuit Protection on All Outputs
  • Thermal Shutdown Protection
  • Guaranteed Operation to 125°C
  • AEC-Q100 Qualified for Automotive Applications (LT1785#W)

Part details & applications

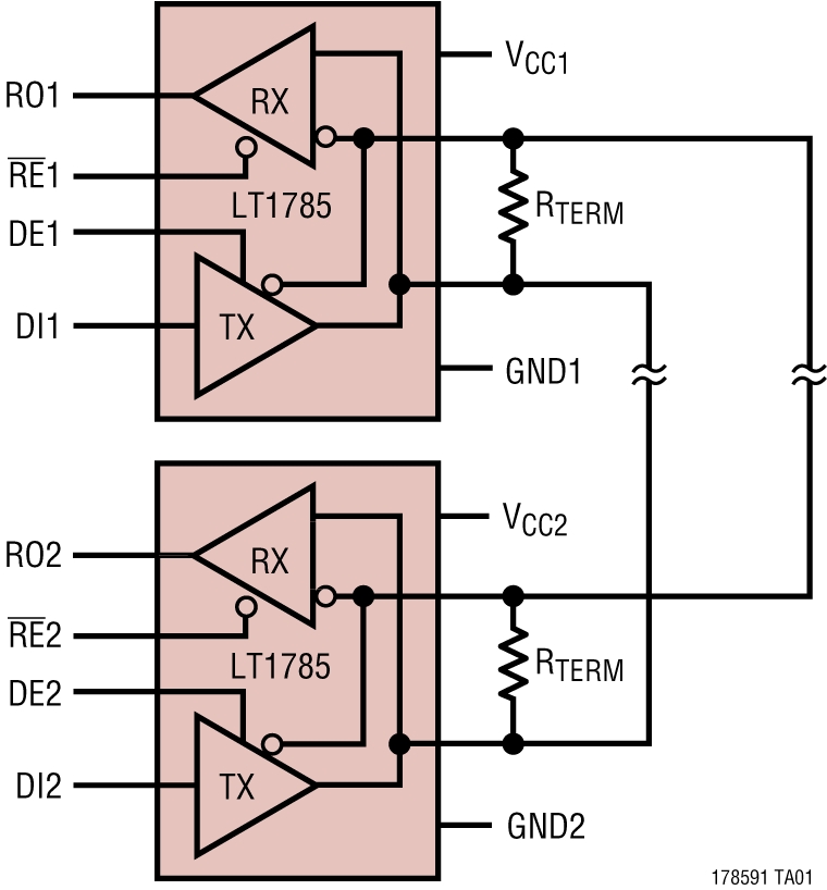
The LT1785/LT1791 are half-duplex and full-duplex differential bus transceivers for RS485 and RS422 applications which feature on-chip protection from overvoltage faults on the data transmission lines. Receiver input and driver output pins can withstand voltage faults up to ±60V with respect to ground with no damage to the device. Faults may occur while the transceiver is active, shut down or powered off.

Data rates to 250kbaud on networks of up to 128 nodes are supported. Controlled slew rates on the driver outputs control EMI emissions and improve data transmission integrity on improperly terminated lines. Drivers are specified to operate with inexpensive cables as low as 72Ω characteristic impedance.

The LT1785A/LT1791A devices have “fail-safe” receiver inputs to guarantee a receiver output high for shorted, open or inactive data lines. On-chip ESD protection eliminates need for external protection devices.

The LT1785/LT1785A are available in 8-lead DIP and SO packages and the LT1791/LT1791A in 14-lead DIP and SO packages.

Applications

  • Industrial Control Data Networks
  • CAN Bus Applications
  • HVAC Controls 

Subscribe to Welllinkchips !
Your Name
* Email
Submit a request