0
LT1237
  • LT1237
  • LT1237
  • LT1237

LT1237

PRODUCTION

5V RS232 Transceiver with Advanced Power Management and One Receiver Active in Shutdown

Analog Devices LT1237 Product Info

10 February 2026 15

Features

  • One Receiver Remains Active While in Shutdown
  • ESD Protection over ±15kV
  • Uses Small Capacitors: 0.1µF, 0.2µF, 1.0µF
  • 60µA Supply Current in Shutdown
  • Pin-Compatible with LT1137A
  • 120kBaud Operation for RL = 3k, CL = 2500pF
  • 250kBaud Operation for RL = 3k, CL = 1000pF
  • Operates to 120kBaud
  • CMOS Comparable Low Power 30mW
  • Operates from a Single 5V Supply
  • Easy PC Layout—Flowthrough Architecture
  • Rugged Bipolar Design
  • Outputs Assume a High Impedance State When Off or Powered Down
  • Absolutely No Latchup
  • Available in SO and SSOP Packages

Part details & applications

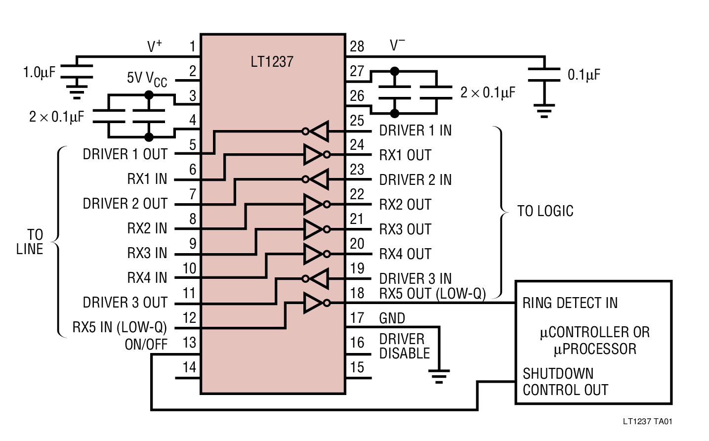
The LT1237 is an advanced low power three driver, five receiver RS232 transceiver. Included on the chip is a shutdown pin for reducing supply current near zero. During shutdown one receiver remains active to detect incoming RS232 signals, for example, to wake up a system.

The LT1237 is fully compliant with all EIA RS232 specifications. New ESD structures on the chip allow the LT1237 to survive multiple ±15kV strikes, eliminating the need for costly TransZorbs® on the RS232 line pins.

The LT1237 operates in excess of 120kbaud even driving heavy capacitive loads. Two shutdown modes allow the driver outputs to be shut down separately from the receivers for more versatile control of the RS232 interface. During shutdown, drivers and receivers assume a high impedance state.

Applications

  • Notebook Computers
  • Palmtop Computers

Subscribe to Welllinkchips !
Your Name
* Email
Submit a request