0
HMC942
  • HMC942

HMC942

RECOMMENDED FOR NEW DESIGNS

x2 Active Multiplier, 25 - 31 GHz Output

Analog Devices HMC942 Product Info

10 February 2026 8

Features

  • High Output Power: +21 dBm
  • Low Input Power Drive: 0 to +6 dBm
  • Fo Isolation: >45 dBc
  • Single Supply: +4.5V @ 214 mA
  • 24 Lead 4x4 mm SMT Package: 16 mm2

Part details & applications

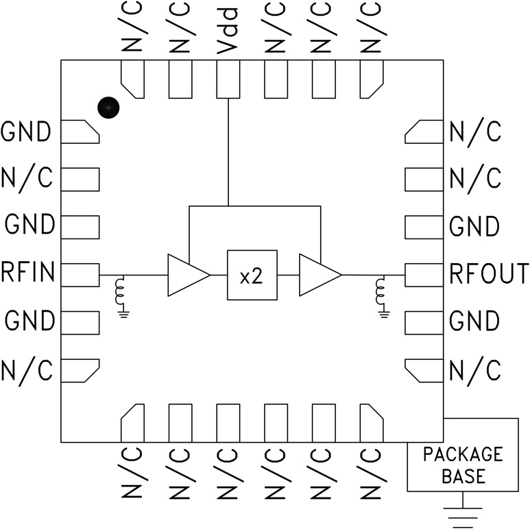
The HMC942LP4E is a x2 active broadband frequency multiplier utilizing GaAs pHEMT technology in a leadless RoHS compliant SMT package. When driven by a +4 dBm signal, the multiplier provides +17 dBm typical output power from 13 to 24.6 GHz. The Fo and 3Fo isolations are >20 dBc at 19 GHz. The HMC942LP4E is ideal for use in LO multiplier chains for Pt-to-Pt & VSAT Radios yielding reduced parts count vs. traditional approaches.

APPLICATIONS

  • Clock Generation Applications:
    SONET OC-192 & SDH STM-64
  • Point-to-Point & VSAT Radios
  • Test Instrumentation
  • Military & Space
  • Sensors

Subscribe to Welllinkchips !
Your Name
* Email
Submit a request