0
HMC815B
  • HMC815B
  • HMC815B
  • HMC815B

HMC815B

RECOMMENDED FOR NEW DESIGNS

21 GHz to 27 GHz, GaAs, MMIC, I/Q Upconverter

Analog Devices HMC815B Product Info

10 February 2026 8

Features

  • Conversion gain: 12 dB typical
  • Sideband rejection: 20 dBc typical
  • OP1dB compression: 20 dBm typical
  • OIP3: 27 dBm typical
  • 2× LO to RF isolation: 10 dB typical
  • 2× LO to IF isolation: 15 dB typical
  • RF return loss: 12 dB typical
  • LO return loss: 15 dB typical
  • IF return loss: 15 dB typical
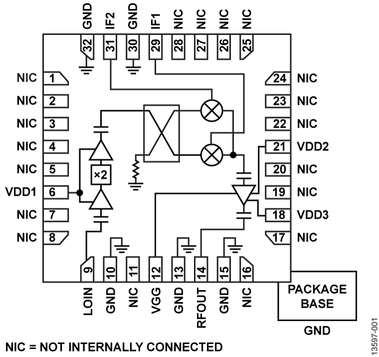
  • Exposed pad, 4.90 mm × 4.90 mm, 32-terminal, ceramic LCC

Part details & applications

The HMC815B is a compact gallium arsenide (GaAs), pseudomorphic high electron mobility transistor (pHEMT), monolithic microwave integrated circuit (MMIC) upconverter in a RoHS compliant package that operates from 21 GHz to 27 GHz. This device provides a small signal conversion gain of 12 dB and a sideband rejection of 20 dBc. The HMC815B utilizes a driver amplifier proceeded by an in phase/quadrature (I/Q) mixer where the LO is driven by an active 2× multiplier. IF1 and IF2 mixer inputs are provided, and an external 90° hybrid is needed to select the required sideband. The I/Q mixer topology reduces the need for filtering of unwanted sideband.

The HMC815B is a smaller alternative to hybrid style single sideband (SSB) downconverter assemblies, and it eliminates the need for wire bonding by allowing the use of surface-mount manufacturing techniques.

The HMC815B is available in 4.90 mm × 4.90 mm, 32-terminal ceramic LCC package and operates over the −40°C to +85°C temperature range. An evaluation board for the HMC815B is also available upon request.

Applications

  • Point to point and point to multipoint radios
  • Military radars, electronic warfare, and electronic intelligence
  • Satellite communications
  • Sensors

Subscribe to Welllinkchips !
Your Name
* Email
Submit a request