0
ADH704S
  • ADH704S

ADH704S

RECOMMENDED FOR NEW DESIGNS

8 GHz, 19-Bit Fractional-N PLL

Analog Devices ADH704S Product Info

10 February 2026 9

Features

  • Wide band: DC – 8 GHz RF Input, 4 GHz 19-Bit Prescaler
  • Industry leading Phase Noise & Spurious -112 dBc/Hz @ 8 GHz Fractional, 50 kHz offset
    • -230 dBc/Hz Fractional Mode
    • -233 dBc/Hz Integer Mode 100 MHz PFD
  • High PFD rate: 100 MHz
  • 24-Lead Hermetic SMT Packagem
  • Screened in accordance with MIL-PRF-38535, Class Level S     

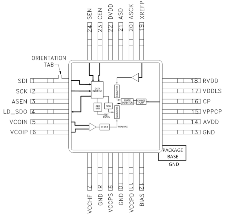
Part details & applications

The ADH704S has been designed for the best phase noise and lowest spurious content possible in an integrated synthesizer. Fabricated in a SiGe BiCMOS process, this Fractional-N frequency synthesizer consists of a very low noise digital phase detector, VCO divider, reference divider and a precision-controlled charge pump. Ultra-low in-close phase noise and low spurious allows wide loop bandwidths for faster frequency hopping and low micro-phonics. Exact frequency mode with 24-bit fractional modulator provides the ability to generate fractional frequencies with zero frequency error, an important feature for Digital Pre-Distortion systems. The serial interface offers read back capability and is compatible with a wide variety of protocols.

Applications

  • Microwave Point-to-Point Radios
  • Test & Measurement
  • Communications
  • Military & Space

Subscribe to Welllinkchips !
Your Name
* Email
Submit a request