0
HMC795
  • HMC795

HMC795

LAST TIME BUY

SiGe Wideband Direct Quadrature Modulator SMT, with VGA, 50 - 2800 MHz

Analog Devices HMC795 Product Info

10 February 2026 9

Features

  • High Linearity OIP3: +25 dBm
  • High Output Power: +10 dBm Output P1dB
  • High Carrier Suppression: 55 dBc
  • High Sideband Suppression: 53 dBc
  • Read/Write Serial Port Interface (SPI)
  • SSPI & 6-bit Parallel Port Programmable 32 dB Gain Control
  • DC - 440 MHz Baseband Input 
  • 32 Lead 5x5mm SMT Package: 25mm2

Part details & applications

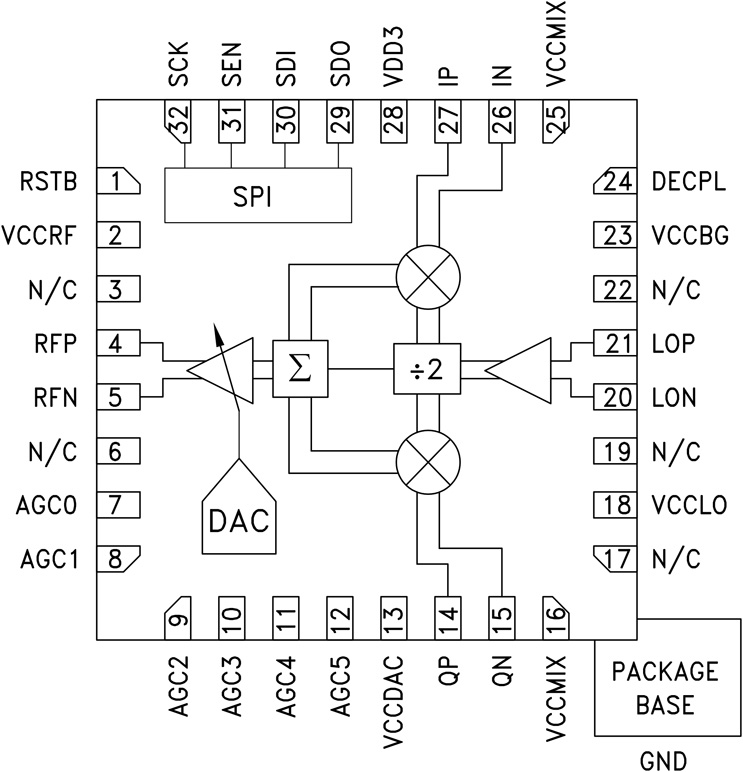
The HMC795LP5E is a variable gain, direct quadrature modulator ideal for digital modulation applications from 50 - 2800 MHz including: Cellular/3G, Broadband Wireless Access and ISM circuits. Housed in a compact 5x5mm (LP5) SMT QFN package, the modulator offers a high level of integration, exceptionally low carrier feedthrough, and a low cost alternative to more complicated double up conversion architectures.

The LO requires -9 to +3 dBm and can be driven in either differential or single-ended mode. The baseband inputs will support modulation inputs from DC - 440 MHz.

The differential RF output port is driven by a 6 bit digital controlled variable gain amplifier to nominally provide up to 32 dB of very linear gain control in 0.5 dB steps. The low carrier suppression is maintained over the VGA dynamic range. The gain control interface accepts either three wire serial input or 6 bit parallel word. In addition, the gain control can be modified through the SPI to adjust a look up table to control the gain step to as low as 0.1 dB, with reduced range, or to adjust individual gain steps for system linearization.

APPLICATIONS

  • UMTS, GSM or CDMA Basestations
  • Fixed Wireless or WLL
  • ISM Transceivers, 900 & 2400 MHz
  • GMSK, QPSK, QAM, SSB Modulators
  • Cellular/3G and WiMAX/4G
  • Microwave IFs

Subscribe to Welllinkchips !
Your Name
* Email
Submit a request