0
HMC7150
  • HMC7150

HMC7150

RECOMMENDED FOR NEW DESIGNS

28 Gbps EML Driver

Analog Devices HMC7150 Product Info

10 February 2026 12

Features

  • Operation up to 28.3 Gbps
  • Low DC Power Dissipation, 0.12W for 1.5VP-P swing @ 3.3V supply 0.50W for 2.3Vpp swing @ 6V supply
  • Adjustable Output Amplitude from 1.2VP-P to 2.3VP-P
  • 16 Lead 3x3mm SMT Package: <9 mm2

Part details & applications

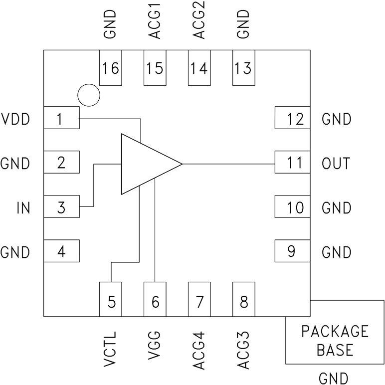
The HMC7150 is a broadband driver amplifier for electro-absorption modulated lasers (EML) and supports data-rates up to 28.3Gbps to meet the 100Gb Ethernet system requirements. The part provides the module designers scalable power dissipation for varying drive voltage characteristics of different modulators and the power consumption of the module can be set as low as 0.12W to 0.5W at 1.5VP-P and 2.3VP-P outputs amplitudes, respectively. The HMC7150 supports wide range of supply voltages from 3.3V to 6V and delivering excellent time domain performance. The output amplitude and cross-point can be adjusted via control pins. The input and output are 50 Ohms matched and used AC coupled. The HMC7150 is in compact leadless 3x3mm surface mountable package.

APPLICATIONS

  • 100Gb Ethernet ER4/ LR4 systems
  • CFP/CFP2/CFP4 or similar form factor modules
  • Optical transceivers and pluggable modules
  • Broadband gain stages and pre-amplifiers
  • Broadband Test & Measurement Equipment

Subscribe to Welllinkchips !
Your Name
* Email
Submit a request