0
MAX4782
  • MAX4782

MAX4782

PRODUCTION

High-Speed, Low-Voltage, 0.7Ω CMOS Analog Switches/Multiplexers

Analog Devices MAX4782 Product Info

10 February 2026 9

Features

  • On-Resistance
    • 0.7Ω (+3V Supply)
    • 1.6Ω (+1.8V Supply)
  • On-Resistance Match Between Channels
    • 0.3Ω (+3V Supply)
  • On-Resistance Flatness
    • 0.1Ω (+3V Supply)
  • Single-Supply Operation Down to 1.6V
  • High-Current Handling Capacity (150mA Continuous)
  • +1.8V CMOS-Logic Compatible
  • Fast Switching Times: tON = 11ns, tOFF = 4ns
  • Pin Compatible with Industry-Standard 74HC4051/74HC4052/74HC4053 and MAX4617/MAX4618/MAX4619
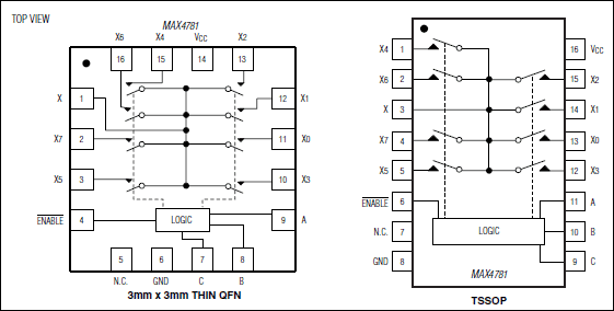
  • Available in 3mm x 3mm 16-Pin Thin QFN Packages

Part details & applications

The MAX4781/MAX4782/MAX4783 are high-speed, low-voltage, low on-resistance, CMOS analog multiplexers/switches configured as an 8-channel multiplexer (MAX4781), two 4-channel multiplexers (MAX4782), and three single-pole/double-throw (SPDT) switches (MAX4783).

These devices operate with a +1.6V to +3.6V single supply. When powered from a +3V supply, MAX4781/MAX4782/MAX4783 feature a 0.7Ω on-resistance (RON), with 0.3Ω RON matching between channels, and 0.1Ω RON flatness. These devices handle rail-to-rail analog signals while consuming less than 3µW of quiescent power. They are available in space-saving 16-pin thin QFN (3mm x 3mm) and TSSOP packages.

Applications

  • Audio Signal Routing
  • Battery-Operated Equipment
  • Communications Circuits
  • Low-Voltage Data-Acquisition Systems

Subscribe to Welllinkchips !
Your Name
* Email
Submit a request