0
HMC688
  • HMC688

HMC688

LAST TIME BUY

BiCMOS MMIC Mixer w/ Integrated LO Amplifier, 2.0 - 2.7 GHz

Analog Devices HMC688 Product Info

10 February 2026 8

Features

  • High Output IP3: +35 dBm
  • Low Conversion Loss: 7.5 dB
  • Low LO Drive: 0 dBm
  • Optimized for Low Side LO Input
  • Upconversion & Downconversion
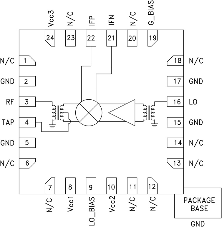
  • 24 Lead 4 × 4mm SMT Package: 16mm2

Part details & applications

The HMC688LP4(E) is a high dynamic range passive MMIC mixer with integrated LO amplifier in a 4 × 4 SMT QFN package covering 2.0 to 2.7 GHz. Excellent input IP3 performance of +35 dBm for down conversion is provided for 3G & 4G GSM/CDMA applications at an LO drive of 0 dBm.

With an input 1 dB compression of +25 dBm, the RF port will accept a wide range of input signal levels. Conversion loss is 7.5 dB typical. The DC to 700 MHz IF frequency response will satisfy GSM/CDMA transmit or receive frequency plans. The HMC688LP4(E) is pin for pin compatible with the HMC689LP4(E) which is a 2.0 to 2.7 GHz mixer with LO amplifier optimized for high side LO applications.

APPLICATIONS

  • Cellular/3G & LTE/WiMAX/4G
  • Basestations & Repeaters
  • GSM, CDMA & OFDM
  • Transmitters and Receivers

Subscribe to Welllinkchips !
Your Name
* Email
Submit a request