0
HMC687
  • HMC687

HMC687

LAST TIME BUY

BiCMOS MMIC Mixer w/Integrated LO Amplifier, 1.7 - 2.2 GHz

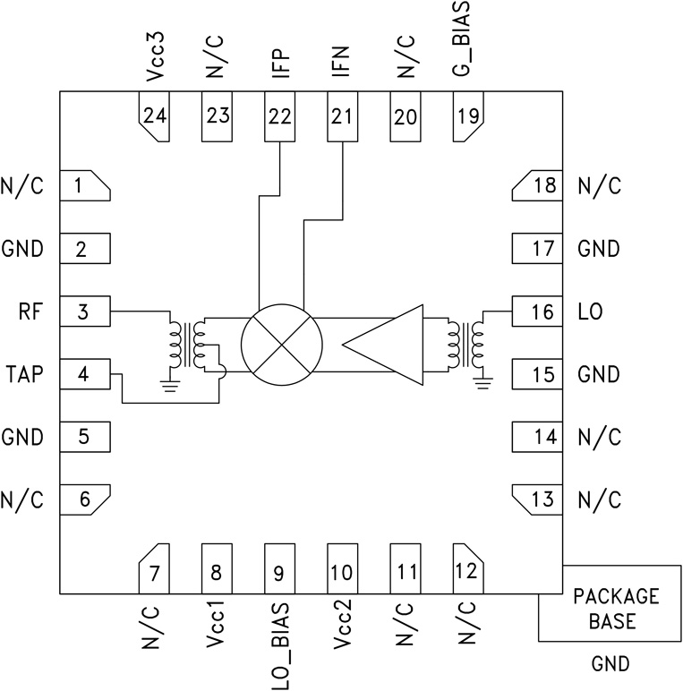
Analog Devices HMC687 Product Info

10 February 2026 7

Features

  • High Input IP3: +35 dBm
  • 8 dB Conversion Loss @ 0 dBm LO
  • Optimized for High Side LO Input
  • Upconversion & Downconversion Applications
  • Adjustable Supply Current
  • 24 Lead 4x4mm SMT Package: 16mm2

Part details & applications

The HMC687LP4(E) is a high dynamic range passive MMIC mixer with integrated LO amplifier in a 4x4 SMT QFN package covering 1.7 to 2.2 GHz. Excellent input IP3 performance of +35 dBm for down conversion is provided for 3G & 4G GSM/CDMA applications at an LO drive of 0 dBm. With an input 1 dB compression of +23 dBm, the RF port will accept a wide range of input signal levels. Conversion loss is 8 dB typical.

The DC to 500 MHz IF frequency response will satisfy GSM/CDMA transmit or receive frequency plans. The HMC687LP4(E) is optimized for high side LO frequency plans and is pin for pin compatible with the HMC685LP4(E) which is a 1.7 - 2.2 GHz converter optimized for low side LO.

APPLICATIONS

  • Cellular/3G & LTE/WiMAX/4G
  • Basestations & Repeaters
  • GSM, CDMA & OFDM
  • Transmitters and Receivers

Subscribe to Welllinkchips !
Your Name
* Email
Submit a request