0
HMC646
  • HMC646

HMC646

RECOMMENDED FOR NEW DESIGNS

40W SPDT Failsafe Switch SMT, 0.1 - 2.1 GHz

Analog Devices HMC646 Product Info

10 February 2026 7

Features

  • High Input P0.1dB: +46 dBm Tx
  • Low Insertion Loss: 0.4 dB
  • High IIP3: +74 dBm
  • Single Positive Control: 0/ +3V to 0/ +8V
  • Failsafe Operation;
    Tx 'On' when Unpowered
  • 2 × 2mm DFN SMT Package

Part details & applications

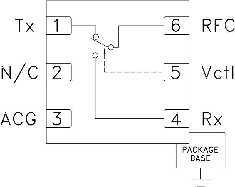
The HMC646LP2(E) is an SPDT switch in a leadless DFN surface mount plastic package for use in transmit / receive and LNA protection applications which require very low distortion and high power handling of up to 40 watts with less than 10% duty cycle. This robust switch can control signals from 100 - 2100 MHz* and is ideal for TD-SCDMA / 3G repeaters, PMR, automotive telematics, and satellite subscriber terminal applications. The design provides exceptional P0.1 dB of +46 dBm and +74 dBm IIP3 on the Transmit (Tx) port. The failsafe topology provides a low loss path from Tx to RFC, when no DC power is available.

APPLICATIONS

  • LNA Protection & T/R Switching
  • TD-SCDMA / 3G Infrastructure
  • Satellite Subscriber Terminals
  • Private Mobile Radio & Public Safety Handsets
  • Automotive Telematics

Subscribe to Welllinkchips !
Your Name
* Email
Submit a request