0
MAX8655
  • MAX8655

MAX8655

PRODUCTION

Highly Integrated, 25A, Wide-Input, Internal MOSFET, Step-Down Regulator First Step-Down DC-DC Converter with +4.5V to +28V Input Voltage Range and Up to 1.2MHz Programmable Switching Frequencies

Analog Devices MAX8655 Product Info

10 February 2026 6

Features

  • 25A Output Current
  • Integrated Power MOSFETs
  • Operates from 4.5V to 25V Supply
  • 1% FB Voltage Accuracy Over Temperature
  • Adjustable Output Voltage Down to 0.7V
  • Adjustable Switching Frequency and External Synchronization from 200kHz to 1MHz
  • 180° Phase-Shifted Synchronization
  • Adjustable Overcurrent Limit
  • Adjustable Slope Compensation
  • Selectable Current-Limit Mode: Latch-Off orAutomatic Recovery
  • Monotonic Output Voltage Rise at Startup into Prebias Output
  • Output Sources and Sinks Current for DDR Applications
  • Enable Input
  • Power-OK (POK) Output
  • Adjustable Soft-Start
  • Independently Adjustable Overvoltage Protection

Part details & applications

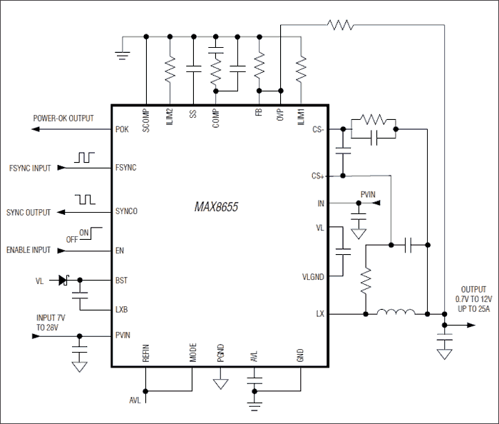
The MAX8655 synchronous-PWM buck regulator operates from a 4.5V to 25V input and generates an output voltage adjustable from 0.7V to 5.5V at loads up to 25A. Integrated power MOSFETs provide a small footprint, ease of layout, and reduced EMI. Removing the board trace inductances ensures the highest efficiency at high frequency.

The MAX8655 uses peak current-mode control architecture with an adjustable (200kHz to 1MHz), constant-switching frequency, which is externally synchronizable. The MAX8655's adjustable current limit uses the inductor's DC resistance to improve efficiency or an external sense resistor for higher accuracy. Foldback type current limit is available to reduce the power dissipation under severe-overload or short-circuit conditions. A reference input is provided for use with a high-accuracy external reference or for DDR and tracking applications.

Monotonic startup provides safe starting into a prebiased output, where traditional step-down regulators discharge the output capacitor during soft-start, creating a negative voltage at the output and possibly damaging the load.

A 180° out-of-phase synchronization output is available for synchronizing with another MAX8655.

An enable input is provided for on/off control and to facilitate output sequencing. Output-voltage sensing for programmable overvoltage protection is provided and is independent of the feedback network to further enhance the output overvoltage protection.

Overall, the MAX8655 provides enough flexibility for the experienced user, as well as simplicity and ease of use for non-power-supply engineers.

Applications

  • IBA Power Supplies
  • Networking
  • Nonisolated DC-DC Power Modules
  • Notebook Computers
  • Point-of-Load Power Supplies
  • Servers and Workstations
  • Telecom Power

Subscribe to Welllinkchips !
Your Name
* Email
Submit a request